LEMON Manuals: Even more car manuals for everyone: 1960-2025
Home >> Hyundai >> 2006 >> Elantra Limited >> Repair and Diagnosis >> Engine Mechanical >> Auxiliary Emission Control Systems >> Emissions Control System >> Evaporative Emission Control System >> Components >> Notes
April 5, 2026: LEMON Manuals is launched! Read the announcement.

Evaporative Emission Control System: Components: Notes

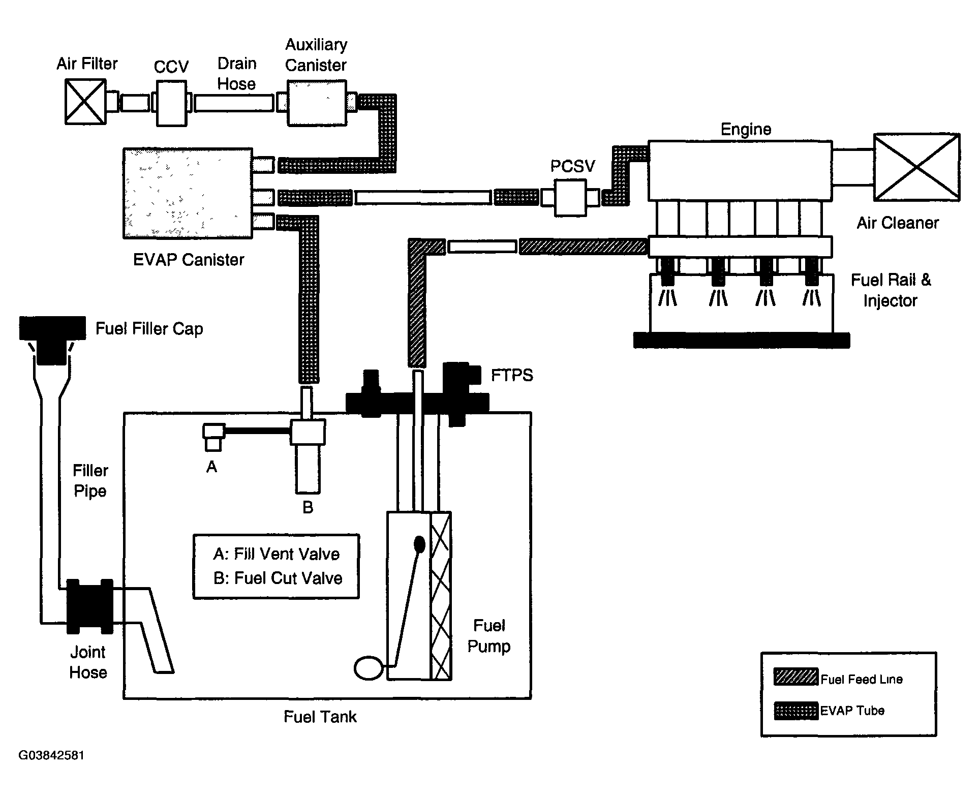
Fig 1: Identifying Evaporative Emission Control System Components
G03842581Courtesy of HYUNDAI MOTOR CO.