LEMON Manuals: Even more car manuals for everyone: 1960-2025
Home >> Hyundai >> 2006 >> Santa Fe Limited, AWD >> Repair and Diagnosis >> Engine Performance >> Engine Control Systems >> Fuel System (G6CU-GSL 3.5) >> Gasoline Engine Control System >> Engine Control Module (ECM) Control Relay >> Circuit Diagram
April 5, 2026: LEMON Manuals is launched! Read the announcement.

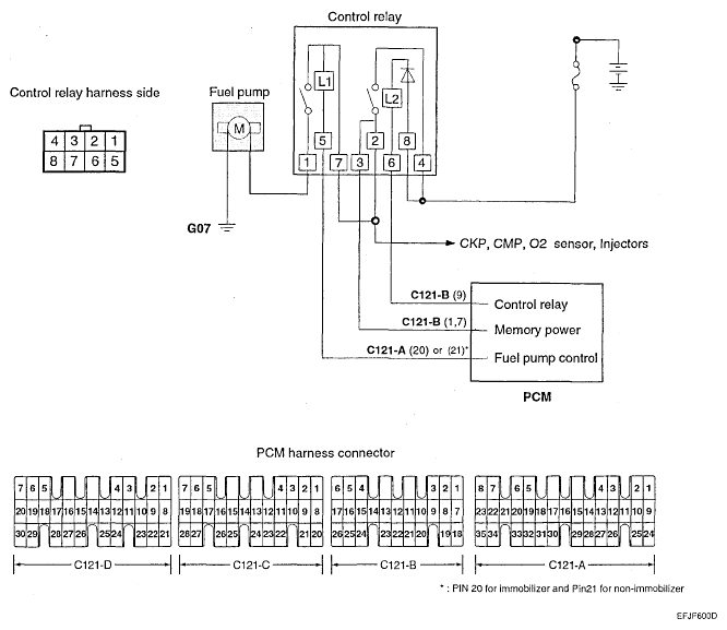
Circuit Diagram

Fig 1: Engine Control Module Circuit Diagram
G04931589Courtesy of HYUNDAI MOTOR CO.