LEMON Manuals: Even more car manuals for everyone: 1960-2025
Home >> Hyundai >> 2007 >> Accent L4-1.6L >> Repair and Diagnosis >> Diagrams >> Exploded Views >> Blower Motor
April 5, 2026: LEMON Manuals is launched! Read the announcement.

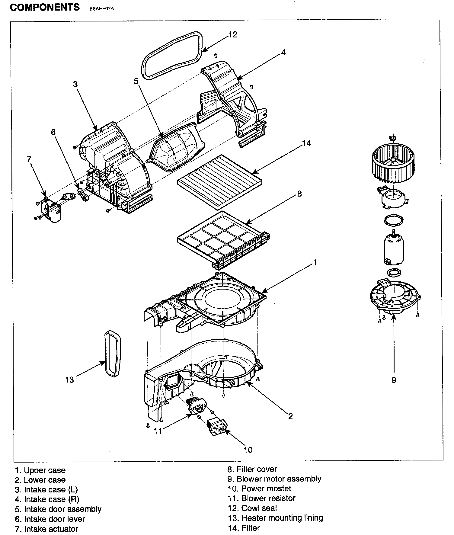
Blower Motor

Blower Unit - Components: