LEMON Manuals: Even more car manuals for everyone: 1960-2025
Home >> Hyundai >> 2007 >> Azera V6-3.3L >> Repair and Diagnosis >> Diagrams >> Exploded Views >> Housing Assembly HVAC
April 5, 2026: LEMON Manuals is launched! Read the announcement.

Housing Assembly HVAC

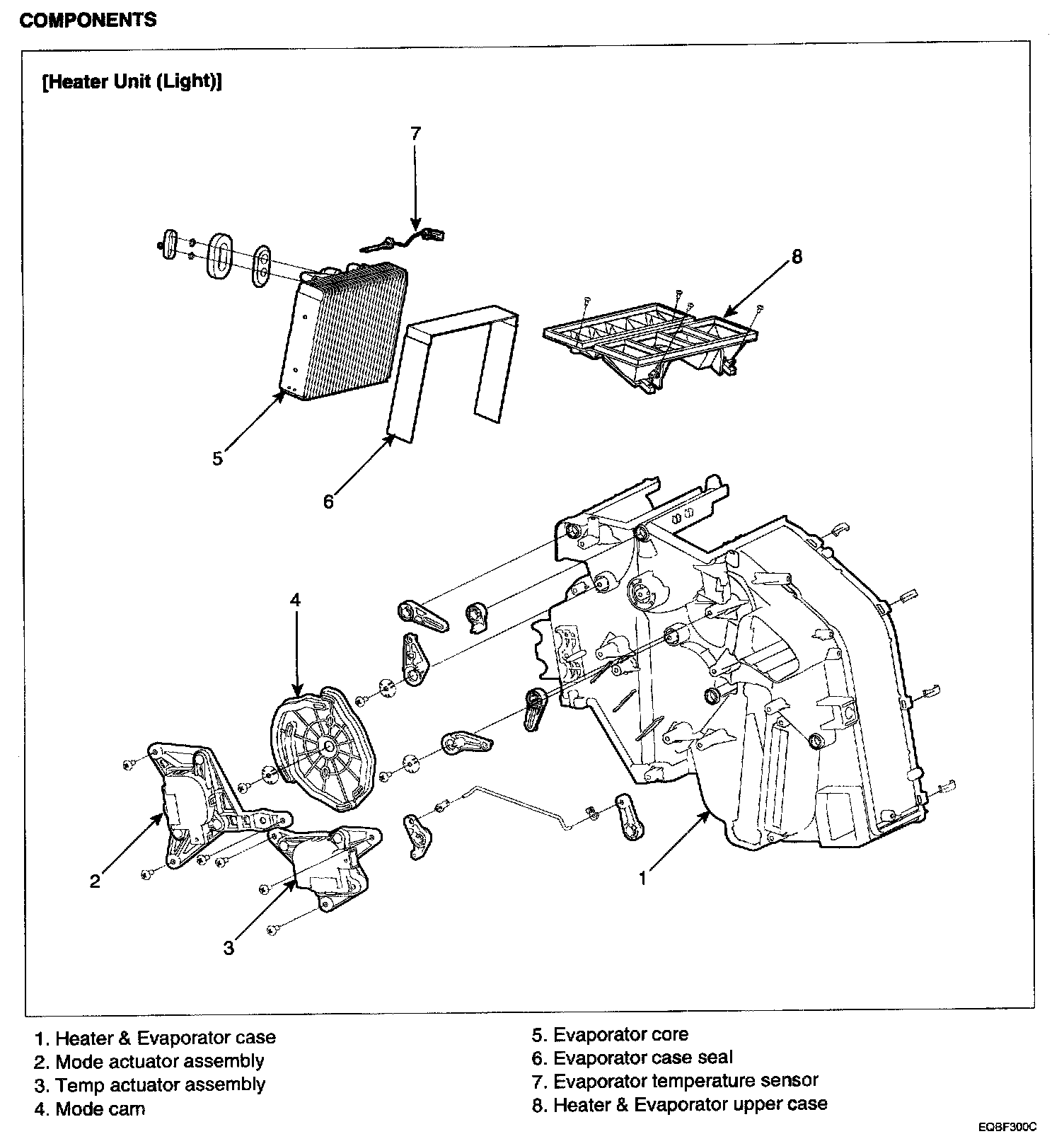
Heater Unit (Light) - Components:



Heater Unit (Left) - Components: