LEMON Manuals: Even more car manuals for everyone: 1960-2025
Home >> Hyundai >> 2007 >> Elantra L4-2.0L >> Repair and Diagnosis >> Powertrain Management >> Computers and Control Systems >> Fuel Level Sensor >> Locations >> Fuel Delivery System Components
April 5, 2026: LEMON Manuals is launched! Read the announcement.

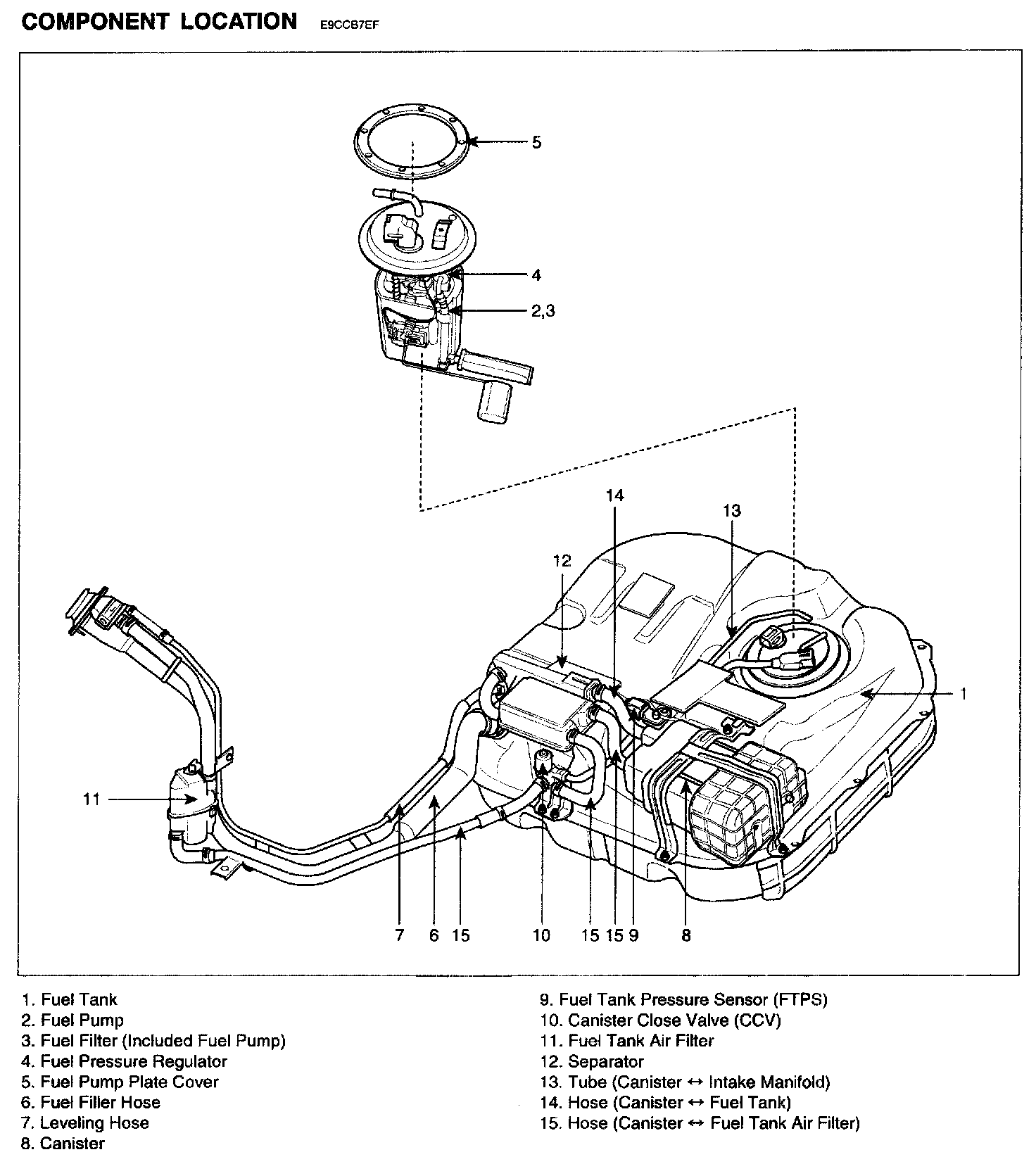
Fuel Delivery System Components

Fuel Delivery System - Component Location: