LEMON Manuals: Even more car manuals for everyone: 1960-2025
Home >> Hyundai >> 2007 >> Entourage V6-3.8L >> Repair and Diagnosis >> Powertrain Management >> Computers and Control Systems >> Relays and Modules - Computers and Control Systems >> Engine Control Module >> Diagrams >> Diagram Information and Instructions >> Schematic Diagrams
April 5, 2026: LEMON Manuals is launched! Read the announcement.

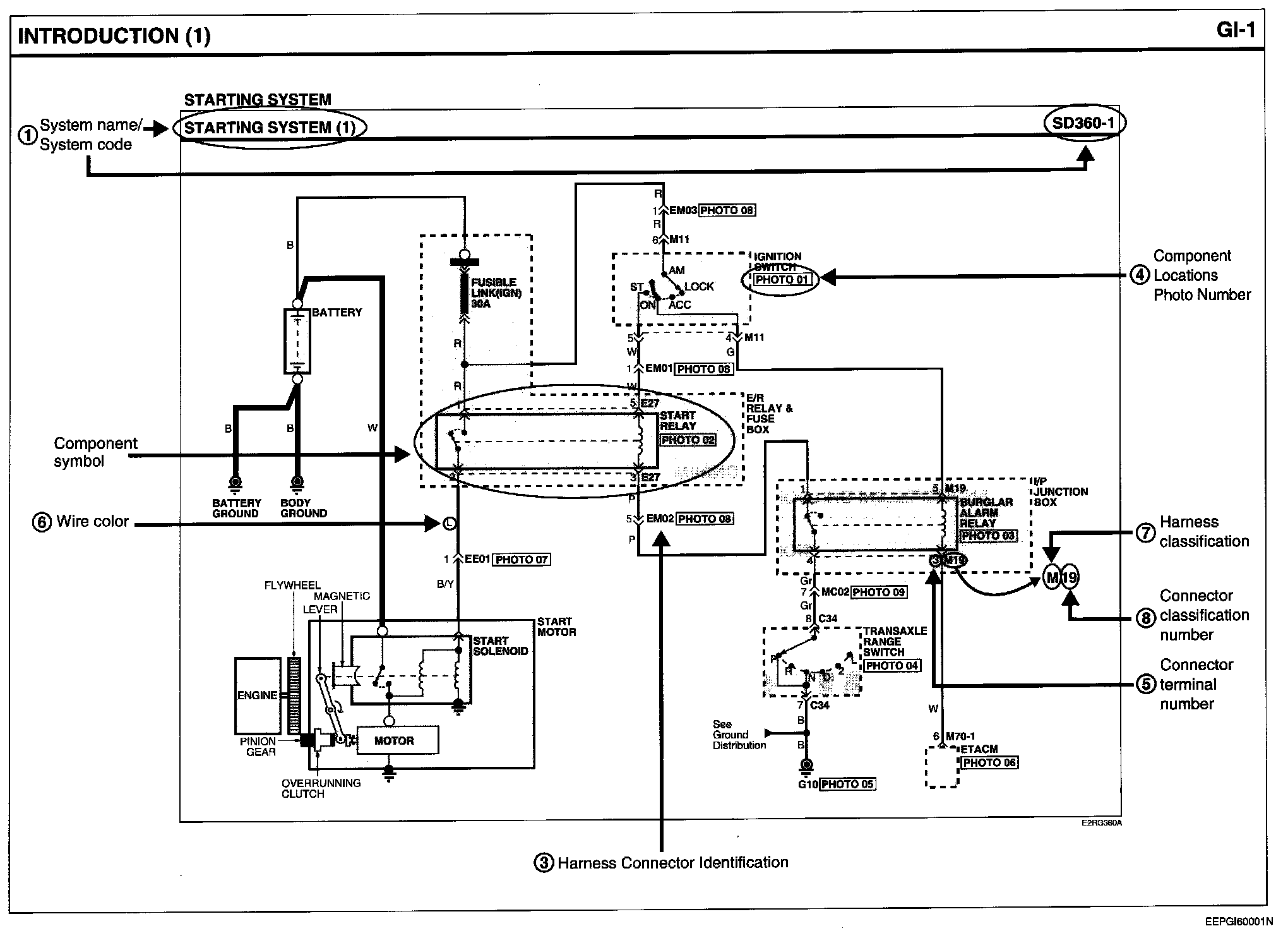
Schematic Diagrams




01 PAGES BY SYSTEM/NAME OF SCHEMATIC DIAGRAM
- Each schematic diagram provides data related to current flow, switch functionality (where applicable) and related circuit information.
- Understanding circuit operation is a critical component of effective diagnosis.
- The schematic diagram index provides a guide to locating the correct circuit




02 CONNECTOR CONFIGURATION (COMPONENTS)
- The pages following the schematic diagrams contain data related to component connector configuration. Each page shows a terminal side view of the connector. Refer to the "Connector View and Numbering Order" section in this document for information related to terminal numbering.

NOTE: a "*" symbol in place of a terminal number indicates an unused terminal (connector cavity will be empty).

EM02:




03 CONNECTOR CONFIGURATIONS (CONNECTION BETWEEN HARNESSES)
- The "Connector Configurations" section identifies connectors that are used to join harnesses together: junction connectors for common power and ground wires are also identified in this section. Male and female connector views are shown applicable.




04 COMPONENT LOCATIONS
- Schematic diagrams include references to images found in the "Component Locations" section of this document. These images show components and connectors in their installed location on the vehicle.




05 CONNECTOR VIEW AND NUMBERING ORDER

NOTE: UNLESS OTHERWISE STATED, ALL CONNECTOR VIEWS ARE FROM THE TERMINAL SIDE OF THE CONNECTOR.




06 WIRE COLOR ABBREVIATIONS
The abbreviations are used to identify wire colors in the circuit schematics.




07 HARNESS CLASSIFICATION
Electrical wiring connectors are classified according to the wiring data in the Harness Layouts.
- It depends on vehicles, it is necessary to check the harness name information on the harness layouts for detailed information.

08 CONNECTOR IDENTIFICATION
A connector identification symbol consists of a wiring harness location classification symbol corresponding to a wiring harness location and number corresponding to the connector.

These connector locations can be found in the HARNESS LAYOUTS.




For Example:

NOTE: Connectors which connect each wiring harness are represented by the symbols as in below diagram.




For Example:

JUNCTION BLOCK IDENTIFICATION
A junction block identification symbol consists of a wiring harness location classification symbol corresponding to a wiring harness location and number corresponding to the connector in the junction block.




For Example:

Harness Layout:




HARNESS LAYOUTS
Harness layouts show the routing of the major wiring harnesses, the in-line connectors and the splices between the major harnesses. These layouts will make electrical troubleshooting easier.