LEMON Manuals: Even more car manuals for everyone: 1960-2025
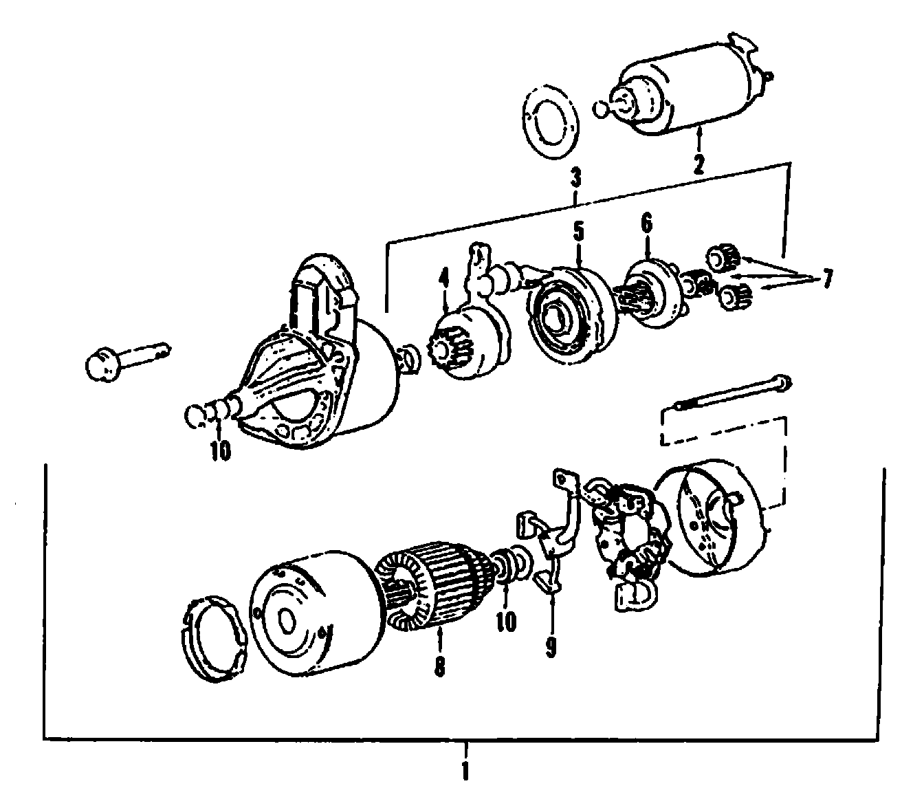
Home >> Hyundai >> 2007 >> Santa Fe AWD V6-2.7L >> Parts and Labor >> Starting and Charging >> Starting System >> Images
April 5, 2026: LEMON Manuals is launched! Read the announcement.

Images

Starting System: