LEMON Manuals: Even more car manuals for everyone: 1960-2025
Home >> Hyundai >> 2007 >> Santa Fe Limited, FWD >> Repair and Diagnosis >> Engine Performance >> Engine Control Systems >> Fuel System (G6DA-GSL 3.3) >> Gasoline Engine Control System >> Powertrain Control Module (Pcm) >> Powertrain Control Module (Pcm) >> Circuit Diagram
April 5, 2026: LEMON Manuals is launched! Read the announcement.

Circuit Diagram

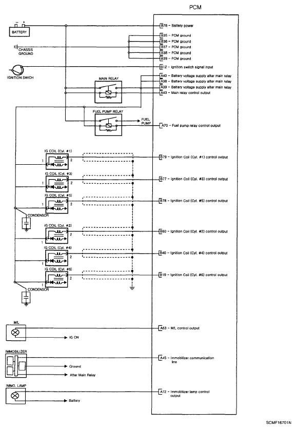
Fig 1: Powertrain Control Module - Circuit Diagram (1 Of 5)
G05349474Courtesy of HYUNDAI MOTOR CO.
Fig 2: Powertrain Control Module - Circuit Diagram (2 Of 5)
G05349475Courtesy of HYUNDAI MOTOR CO.
Fig 3: Powertrain Control Module - Circuit Diagram (3 Of 5)
G05349476Courtesy of HYUNDAI MOTOR CO.
Fig 4: Powertrain Control Module - Circuit Diagram (4 Of 5)
G05349477Courtesy of HYUNDAI MOTOR CO.
Fig 5: Powertrain Control Module - Circuit Diagram (5 Of 5)
G05349478Courtesy of HYUNDAI MOTOR CO.