LEMON Manuals: Even more car manuals for everyone: 1960-2025
Home >> Hyundai >> 2007 >> Sonata Limited >> Repair and Diagnosis >> Accessories & Equipment >> Communication Devices >> Body Control Module >> Replacement >> Inspection
April 5, 2026: LEMON Manuals is launched! Read the announcement.

Body Control Module: Replacement: Inspection

Verify each components operation using related timing charts.

  1. TAIL LAMP AUTO CUT
    1. With the tail lamp switched ON, if the ignition

      Is switched OFF and the driver' s door opened, the tail lamp should be automatically turned OFF.

    2. With the ignition switch ON, if the driver' s door is opened and the ignition is switched to OFF, the tail lamp should be automatically turned OFF.
    3. When the tail lamp is cut automatically and the tail lamp switch is turned OFF and ON, the tail lamp illuminates and auto cut function is cancelled.
    4. When the tail lamp is cut automatically and the ignition key is inserted, the tail lamp illuminates and auto cut function is canceled.
    Fig 1: TAIL LAMP AUTO CUT Timing Chart
    G04802950Courtesy of HYUNDAI MOTOR CO.
  2. IGNITION KEYHOLE ILLUMINATION
    1. Ignition keyhole illumination is turned ON when the driver or passenger door is opened.
    2. The "ON" state for ignition keyhole illumination is delayed 10 seconds when the door is closed as in Step 1).
    3. Ignition keyhole illumination is turned off if the ignition switch is turned ON as in Step 1) & 2).
    4. Ignition keyhole illumination is turned off if ARM state is entered. See Steps 1) & 2).
    Fig 2: Ignition Keyhole Illumination Timing Chart
    G04893058Courtesy of HYUNDAI MOTOR CO.

    T1 : 10 ± 1 sec.

    T2 : 0 ~ 10 sec.

  3. DELAYED ROOM LAMP
    1. When the first door (driver, or assist or 4 doors) is opened, room lamp is turned on.
    2. When the door is closed, the room lamp is faded out for 2 seconds after there is on for 30 seconds.
    3. Regardless of ignition ON/OFF in door open state, room lamp output is ON.
    4. When remote control unlock is received, room lamp is turned on for 30 seconds.
    5. While room lamp is on due to Remote control unlock, if another remote control unlock is received, then room lamp is again on for 30 sec.
    Fig 3: Delayed Room Lamp Timing Chart
    G04893059Courtesy of HYUNDAI MOTOR CO.

    T1 : 30 ± 3 sec.,

    T2 : 2 ± 0.2 sec.,

    T3 : 32 ± 3.2 sec

  4. CENTRAL DOOR LOCK/UNLOCK
    1. Central door lock/unlock
    Fig 4: Central Door Lock/Unlock Reference Chart
    G04893060Courtesy of HYUNDAI MOTOR CO.
    Fig 5: Central Door Lock/Unlock Timing Chart
    G04893061Courtesy of HYUNDAI MOTOR CO.

    T1 : 0.5 ±0.1 sec.

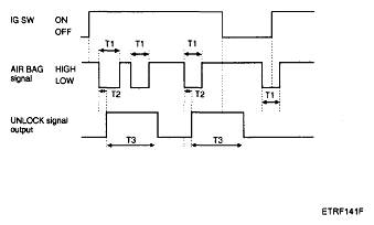
  5. CRASH DOOR UNLOCK
    1. UNLOCK signal is always output when AIR BAG signal is input under IG SW = ON.
    2. UNLOCK signal is output for the remaining time even when IG SW ON is turned to OFF during UNLOCK output.
    3. UNLOCK signal is not output when IG SW OFF is turned to ON after AIR BAG signal is input in advance.
    4. UNLOCK signal is output for T3 when driver, Assist or rear DOOR LOCK SW is locked from UNLOCK after UNLOCK signal is output.
    5. AUTO DOOR LOCK function is not performed when CRASH UNLOCK condition is met.
    6. CENTRAL DOOR LOCK function is not performed during or after CRASH UNLOCK signal output.

      But, CENTRAL DOOR LOCK function is performed normally if CRASH UNLOCK function is reset after IG OFF.

      Fig 6: Crash Door Unlock Timing Chart
      G04893062Courtesy of HYUNDAI MOTOR CO.

      T1 : 0.2 ± 0.02 sec.,

      T2 : 0.04 sec.,

      T3 : 5 ± 0.5 sec.

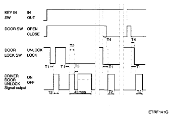
  6. 2-TURN UNLOCK
    1. All door unlock signals are output for T2 if driver door key unlock switch is turned ON within T1 after changing driver door key unlock switch from OFF to ON (mechanically, driver door key unlock switch is unlocked and BCM signal is not output). (All door unlock signals are output even within T1 after RKE UNLOCK signal is received.)
    2. Driver door unlock signal is output for T2 when RKE UNLOCK signal is received. But, all door unlock signals are output for T2 if RKE UNLOCK signal is received within T1.

      (All door unlock signals are output for T2 even when RKE UNLOCK signal in T1 is received after changing driver door key unlock switch from OFF to ON.

      Fig 7: Door Lock/Unlock Timing Chart
      G04881498Courtesy of HYUNDAI MOTOR CO.

      T1 : within 4 ± 1 sec.

      T2 : 0.5 ± 0.1 sec.

  7. AUTO DOOR LOCK (USER OPTION)
    1. This does not activate when vehicle speed is less than 5km/h.
    2. Lock signal is output if vehicle speed is 5km/h or more for at least 1s under ALT" L" ON, IGN SW = ON. But, lock signal is not output if all doors are locked or all doors are fail in advance.
    3. Lock signal is output 3 times as Max ((2) is ignored) if either one door is unlocked after lock signal output in (2). (1s cycle) But, door, which is locked from unlock state during 3-time output, is ignored.
    4. Relevant door is fail if the state is unlock after 3-time output.
    5. Lock signal is output once if the fail door is unlocked again after the door is locked.
    6. Lock signal is output once if locked doors, which are lock state after lock signal output in (2), are unlocked again.

      But, lock signal is output once for the relevant door even when unlock state continues after lock signal output.

    7. Fail door is cleared at IGN SW = OFF.
    8. Auto door lock function is not performed when crash unlock condition is met
    Fig 8: Auto Door Lock Timing Chart
    G04881499Courtesy of HYUNDAI MOTOR CO.

    T1 : 1 ± 0.1 sec.

    T2 : 0.5 ± 0.1 sec.

  8. IGNITION KEY REMINDER
    1. This function is not performed when vehicle speed is 3km/h or more.
    2. DRIVER UNLOCK signal is output for 1s after 0.5s from when the state becomes KEY IN SW = IN & DRIVER DOOR = OPEN & DRIVER DOOR LOCK SW = LOCK.
    3. ALL DOOR UNLOCK signals are output for 1s after 0.5s from when the state becomes KEY IN SW = IN & ASSIST DOOR = OPEN & ASSIST DOOR LOCK SW = LOCK.
    4. UNLOCK signal is output 3 times as Max (1s-out-put is excluded) in case LOCK state is held even when UNLOCK signal is output for 1s in (2),(3). (1s cycle: 0.5s ON/OFF)
      Fig 9: Ignition Key Reminder Timing Chart
      G04893065Courtesy of HYUNDAI MOTOR CO.

      T1 : 0.5 ± 0.1 sec.

      T2 : 1.0 ± 0.1 sec.

      T3 : 0.5 ± 0.1 sec.

      T4 : 0.5 sec.

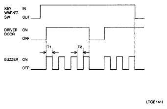
  9. KEY OPERATED WARNING
    1. If the key is in the key cylinder and the driver door is opened, the buzzer is sounded (period: 0.7 sec, duty rate: 50%).
    2. If the ignition key is removed, or the door is closed, the buzzer is switched OFF immediately.
    Fig 10: Key Operated Warning Switch Timing Chart
    G04893066Courtesy of HYUNDAI MOTOR CO.

    T1, T2 : 0.35 ± 0.1 sec.

  10. WINDSHIELD DEICER & DEFOGGER TIMER
    1. Once ALT "L" is ON, if the defogger is switched ON, the defogger will stay ON for 20 minutes duration.
    2. If defogger switch is pressed again (see Step 1), or if ignition is switched OFF, the defogger will shut OFF.
    Fig 11: Windshield Deicer & Defogger Timer Switch Timing Chart
    G04893067Courtesy of HYUNDAI MOTOR CO.

    T1 : 20 ± 1 min.

    T2 : MAX 20 ± 1 min.

  11. POWER WINDOW TIMER
    1. When the ignition is switched OFF, power window output remains ON for 30 seconds and then turns OFF.
    2. Related to Step 1), if the driver' s door or assist door is opened, window power output is turned OFF immediately.
    3. When the driver's door or assist door is opened, the power window relay output is turned OFF immediately.
    Fig 12: Power Window Timer Timing Chart
    G04893068Courtesy of HYUNDAI MOTOR CO.

    T1 : 30 ± 3 sec.

  12. WIPER RELATED TO WASHER
    1. When the ignition switch is turned ON:
      • If washer switch is turned on, wiper output is ON after 0.3 sec. (T5)
      • If washer switch is turned OFF, wiper output is OFF after 3.8 sec. (T6)
    2. If the washer switch is turned OFF within 0.6 sec. (T2), the wiper will remain ON for up to 0.7 sec. (T3) from the moment that washer switch is turned OFF.
    Fig 13: Wiper Washer Timing Chart
    G04893069Courtesy of HYUNDAI MOTOR CO.

    T1 : Less than 0.2 sec.

    T2 : 0.2 ~ 0.6 sec. (MIST Function)

    T3 : 0.7 ± 0.1 sec.

    T4 : More than 0.6 sec.

    T5 : 0.3 sec.

    T6 : 2.5 ~ 3.8 sec.

  13. VARIABLE INTERMITTENT WIPER (WINDSHIELD WIPER)
    1. With the ignition switch ON, if the intermittent wiper switch is turned on, wiper output is ON according to the setting.
    2. When the intermittent wiper switch is ON, if the ignition switch is turned ON, wiper output is ON.
    Fig 14: Intermittent Wiper (Windshield Wiper) Timing Chart
    G04893070Courtesy of HYUNDAI MOTOR CO.

    T1 : MAX 0.5 sec.

    T2 : 0.7 ± 0.1 sec.

    T3 : 2.6 ± 0.7 sec. (FAST),

    T3 : 18.0 ± 1.0 sec. (SLOW) vehicle speed 0 km/h

  14. SEAT BELT REMINDER FUNCTION (DRIVER)
    1. Warning lamp lights every 0.6 sec and buzzer sounds every 1 sec for 6 sec when IGN is ON under unfastened seat belt.

      (Warning lamp continues to light for 6 sec if seat belt is fastened within 6 sec) 30 sec-time count starts at ALT" L" ON under this state.(30 sec-time count starts after 6 sec. if ALT" L" is ON within initial 6 sec)

    2. Buzzer stops and the warning lamp is turned OFF when IGN is turned OFF within 6 sec-output.
    3. Buzzer stops and the warning lamp is turned OFF and 30 sec-time count also stops when seat belt is fastened after IGN ON.
    4. If unfastened seat belt state continues after 60 sec-time count from ALT" ON, the warning lamp flashes and buzzer sounds 11 times in 30 sec-cycle (6 sec ON/24 sec OFF) after 30 sec from ALT" L" ON.
    5. Warning lamp & buzzer are turned OFF when IGN is OFF or seat belt is fastened during (4).
    6. Operation in (1) is performed when seat belt is unfastened again under ALT" L" ON and fastened seat belt.
    7. Operation in (4) is performed when ALT ' L" is turned ON again after turning OFF under unfastened seat belt.
  15. SEAT BELT REMINDER FUNCTION (ASSIST)
    1. Warning lamp lights continuously every 0.6 sec when IGN is turned ON under unfastened seat belt.
    2. Warning lamp is turned OFF when IGN is turned OFF within 0.6 sec.
    3. When IGN is ON under unfastened seat belt, the warning lamp lights. The lamp continues to light for remaining time of 6 sec when seat belt is fastened within 6 sec. The lamp is OFF if seat belt is fastened after 6 sec.
    4. After 6 sec from IGN ON, warning lamp continues to flash when S/BELT is unfastened and stop immediately when S/BELT is fastened.
    Fig 15: Seat Belt Reminder Function (Assist) Timing Chart
    G04893071Courtesy of HYUNDAI MOTOR CO.

    T 1: 0.3 ± 0.1 sec.

    T2 : 6 ± 1 sec.

  16. AUTO LIGHT CONTROL
    1. Auto light sensor value is always read at IGN ON.
    2. Light is turned ON after 2 sec ± 0.2 sec when auto light sensor value is same as light ON input value.
    3. Light is turned OFF after 2 sec ± 0.2 sec when sensor value is same as light OFF input value.
    4. Tail lamp and head lamp are turned ON when sensor value is same as tail lamp ON input value.
    5. Light ON value of sensor is based on the below table.
    6. Head lamp signal is output when head lamp switch is ON.
    7. After head lamp is turned OFF, head lamp signal output is kept if head lamp ON luminance condition is met at auto light switch ON.
    8. After head lamp is turned OFF, head lamp signal output is immediately stopped if head lamp OFF luminance condition is met at auto light switch ON.
    9. After head lamp is turned OFF, head lamp signal output is immediately stopped at tail switch signal input.
    10. After head lamp is turned OFF, head lamp signal output is stopped after 0.7s if there is no input of auto light switch or tail switch. (Shall be no flashing of head lamp)
    11. Head lamp signal output is stopped when switch position is changed from AUTO to head lamp switch during head lamp ON with auto light. (Shall be no flashing of head lamp)
    12. The condition of head lamp ON/OFF is same as the one of tail lamp ON/OFF at auto light switch ON. Light ON value of the input sensor is based on the table.
      HEAD LAMP VALUE

        TAIL LAMP HEAD LAMP
      ON 0.81V+/-0.08V Same as tail sensor value
      OFF 1.41V+/-0.10V Same as tail sensor value
      Fig 16: Auto Light Timing Chart
      G04893072Courtesy of HYUNDAI MOTOR CO.

      T1/T2 : 2.0 ± 0.2 sec