LEMON Manuals: Even more car manuals for everyone: 1960-2025
Home >> Hyundai >> 2009 >> Azera Limited >> Repair and Diagnosis (Single Page) >> Engine Performance >> Engine Control Systems >> Engine Control/Fuel System (G6DB/G6DA - GSL 3.3/3.8) >> Gasoline Engine Control System >> Circuit Diagram
April 5, 2026: LEMON Manuals is launched! Read the announcement.

Circuit Diagram

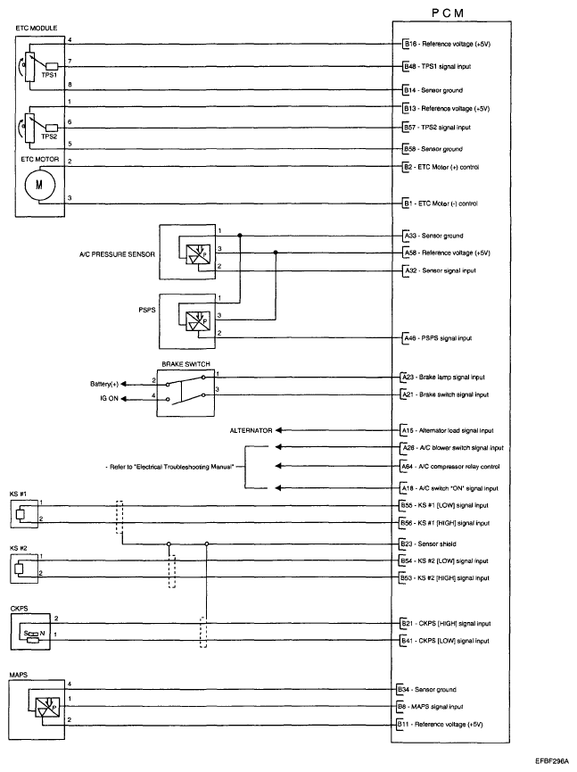
Fig 1: Gasoline Engine Control System - Circuit Diagram (1 Of 5)
G04884289Courtesy of HYUNDAI MOTOR CO.
Fig 2: Gasoline Engine Control System - Circuit Diagram (2 Of 5)
G04884290Courtesy of HYUNDAI MOTOR CO.
Fig 3: Gasoline Engine Control System - Circuit Diagram (3 Of 5)
G05344852Courtesy of HYUNDAI MOTOR CO.
Fig 4: Gasoline Engine Control System - Circuit Diagram (4 Of 5)
G04884292Courtesy of HYUNDAI MOTOR CO.
Fig 5: Gasoline Engine Control System - Circuit Diagram (5 Of 5)
G05344854Courtesy of HYUNDAI MOTOR CO.