LEMON Manuals: Even more car manuals for everyone: 1960-2025
Home >> Hyundai >> 2009 >> Azera V6-3.3L >> Repair and Diagnosis >> Diagrams >> Connector Views >> Engine Control Module
April 5, 2026: LEMON Manuals is launched! Read the announcement.

Engine Control Module





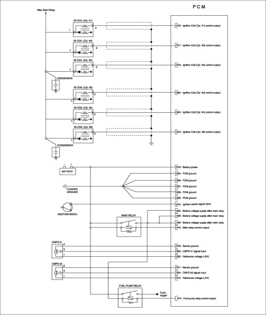
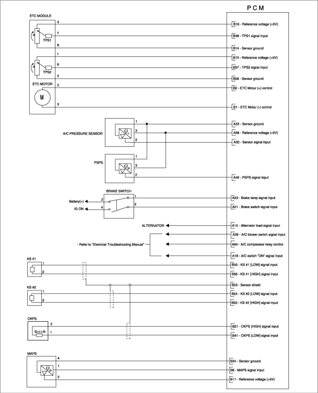
Powertrain Control Module (PCM)

1. PCM Harness Connector




2. PCM Terminal Function
Connector [C144-A]









Connector [C144-B]









3. PCM Terminal Input/output Signal
Connector [C144-A]













CONNECTOR [C144-B]


















Circuit Diagram