LEMON Manuals: Even more car manuals for everyone: 1960-2025
Home >> Hyundai >> 2009 >> Azera V6-3.3L >> Repair and Diagnosis >> Powertrain Management >> Computers and Control Systems >> Coolant Temperature Sensor/Switch (For Computer) >> Locations
April 5, 2026: LEMON Manuals is launched! Read the announcement.

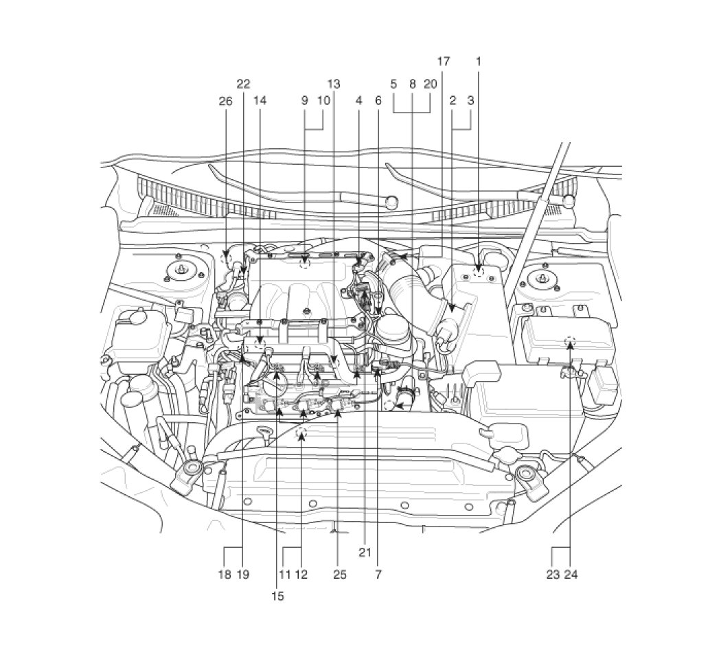
Coolant Temperature Sensor/Switch (For Computer): Locations





Component Location