LEMON Manuals: Even more car manuals for everyone: 1960-2025
Home >> Hyundai >> 2009 >> Elantra GLS, Standard >> Repair and Diagnosis >> Engine Performance >> Engine Control Systems >> Engine Control/Fuel System (G4GC-GSL 2.0) >> Fuel Delivery System >> Component Location
April 5, 2026: LEMON Manuals is launched! Read the announcement.

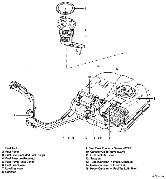
Component Location

Fig 1: Identifying Fuel Delivery System Component Location
G05363925Courtesy of HYUNDAI MOTOR CO.