LEMON Manuals: Even more car manuals for everyone: 1960-2025
Home >> Hyundai >> 2009 >> Elantra Touring L4-2.0L >> Repair and Diagnosis >> Powertrain Management >> Computers and Control Systems >> Relays and Modules - Computers and Control Systems >> Body Control Module >> Description and Operation >> 1 of 2
April 5, 2026: LEMON Manuals is launched! Read the announcement.

1 of 2





Description





Function

Wiper Control
1. WIPER DATA FLOW




2. WASHER INTERLOCKING WIPER
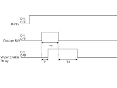
Turn Wiper Enable Relay ON after T1 when turning Washer SW ON at the status of IGN2 ON and if the input of Washer SW is between 0.06 and 0.2sec, turn the output of Wiper Enable Relay OFF after T3.But, ignore the input of Washer SW occurred while Wiper Enable Relay is being operated and accept it from the input of Washer SW after operating Wiper Enable Relay.




T1 : 0.2 ± 0.03sec, T2 : 0.06 - 0.2sec, T3 : 0.7 ± 0.1sec
T3 = 0 (In case of T2 ≤ 0.06 sec.)
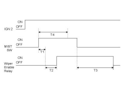
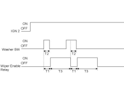
(1) Turn Wiper Enable Relay ON after T1 when turning Washer SW ON at the status of IGN2 ON and if the input of Washer SW is more than 0.2sec, turn the output of Wiper Enable Relay OFF for 2.5~3.8sec after turning Washer SW OFF.
But, ignore the input of Washer SW occurred while Wiper Enable Relay is being operated and accept it from the input of Washer SW after operating Wiper Enable Relay.




T1 : 0.3 ± 0.03s, T2 : over 0.6s, T3 : 2.5 - 3.8s
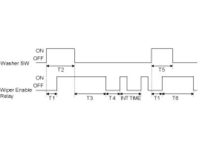
(2) Turn the output of WASHER INTERLOCKING Wiper when Washer SW is turned ON for more than 0.2sec during the operation of INT Wiper. If Washer SW is turned on for less than 0.2sec, turn the output of Wiper Enable Relay once.




T1 : 0.3 ± 0.03s, T2 : over 0.6s,
T3 : 2.5 - 3.8s, T4 : INT TIME - 0.7s,
T5 : 0.2 - 0.6s, T6 : 0.7 ± 0.1s
(3) In case of starting (IGN1 ON & IGN2 OFF) ignore the input of Washer SW.
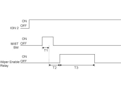
3. MIST INTERLOCKING WIPER
(1) Turn the output of Wiper Enable Relay for 700ms when turning Mist SW ON at the status of IGN2 ON.




T1 : Min 60 ms, T2 : Max 100ms,
T3 : 700 ± 100ms
(2) If the input of Mist SW is continuous (for more than 700ms), keep the condition of Wiper Enable Relay is ON and if Mist SW is turned OFF turn the output of Wiper Enable Relay for 700ms from that point.
(3) Ignore the input of Mist SW while operating Wiper by INT Wiper, WASHER Interlocking Wiper.




T1 : Min 60 ms, T2 : Max 100ms,
T3 : 700 ± 100ms, T4 : 700ms

Lamp Control
1. EXTERIOR LAMP CONTROL DATA FLOW




2. TAIL LAMP AUTO CUT
(1) Turn IGN KEY OFF when turning Tail SW ON after turning IGN KEY ON and turn Tail Lamp Relay OFF (automatic blackout) when opening Driver door SW.
(2) Also, turn Tail Lamp Relay OFF (automatic blackout) even though IGN KEY is turned OFF after opening Driver door SW at the condition that IGN KEY is ON.
(3) When turning Tail SW ON again from OFF after the automatic blackout, Tail Lamp Relay will be turned ON and AUTO CUT function will be cancelled.
(4) When turning IGN KEY ON after the automatic blackout, Tail Lamp Relay will be turned ON and AUTO CUT function will be cancelled.
(5) AUTO CUT will be kept when removing or installing B+ at the status of AUTO CUT.
(6) Tail Lamp Relay will be kept turning OFF though Driver door SW is closed from opened at the status of AUTO CUT.




*1 IGN KEY ON : (Push Knob SW or Key In SW ON or IGN 1 ON or IGN 2 ON)
IGN KEY ON : (Push Knob SW and Key In SW OFF and IGN 1 OFF and IGN 2 OFF)
3. AUTO LIGHT CONTROL
(1) If the service voltage of Auto Light SENSOR is less than 4v or more than 6v at the status of IGN1 ON, it means it has defects. Always turn Tail Lamp Relay and Head Lamp Relay ON regardless of the value of SENSOR when turning Auto Light SW ON with trouble. The FILTERING time for defects and recovery of the service voltage is 300msec each.
(2) If the value of Auto Light Signal is input value of LIGHT ON at the status of IGN1 ON and Auto Light SW ON, turn the LIGHT ON in 2.5sec ± 100msec.
(3) If the value of Auto Light Signal is input value of LIGHT OFF at the status of LIGHT ON, turn the LIGHT OFF in 2.5sec ± 100msec.
(4) If the value of Auto Light Signal is input value of Tail Lamp ON, turn Tail Lamp Relay ON only and if it is input value of Head Lamp ON, turn Tail Lamp Relay and Head Lamp Relay ON.
(5) Turn the proper LIGHT ON immediately when turning Auto Light SW ON in the condition of LIGHT ON and turn the LIGHT OFF when turning Auto Light SW OFF.
(6) Follow the table below for each value of LIGHT ON for Auto Light Signal.













T1 : 12 ± 0.2s, T2 : 12 ± 0.2s
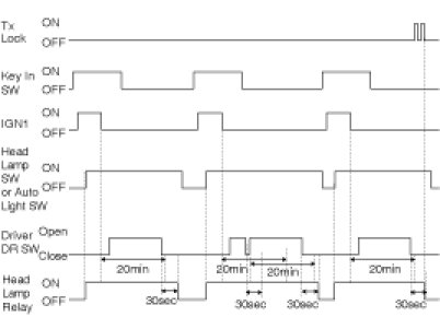
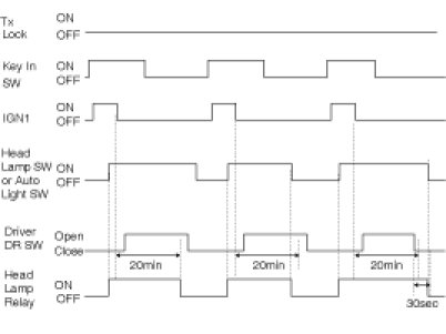
4. ESCORT





NOTE:
1. Door Lock 2 times : Tx(Transmitter) Door Lock 2 times
2. When Open the Driver door, former 2 times lock counter is cleared, and Start new 2 times lock counting.
During active the Escort function(counting 30sec), if Driver door is re-opened, re-start 20min counter and if Driver door is re-close, re-start 30sec counter.








5. HEAD LAMP LOW
(1) Turn Head Lamp Relay ON when turning Head Lamp SW ON while IGN1 is ON.
(2) Turn Head Lamp Relay OFF if IGN1 OFF or Head Lamp SW is OFF.
(3) Do not control things above if Head Lamp Relay can be controlled by Escort / Auto Light / DRL function.




6. FRONT FOG LAMP
(1) Turn Front Fog Relay On when turning Front Fog SW ON while Tail Lamp Relay is ON.
(2) Turn Front Fog Relay OFF when turning Front Fog SW ON while Front Fog Relay is ON.





NOTE:
Front Fog Lamp SW is Self-Return Type

Interior Room Lamp
1. INTERIOR ROOM LAMP DATA FLOW




ATWS : Logic signal of ATWS
RKECMD : RKE LOCK/Unlock signal
2. ROOM LAMP DECAYING & KEYLESS UNLOCK TIMER
When removing or installing the Battery
(1) Start Room Lamp on the state of 20min, if the Door is Opened.
(2) Start Room Lamp when it is OFF if the Door is CLOSED.
3. ROOM LAMP OFF
(1) Condition 1





(2) Condition 2





(3) Condition 3









T1 : 20 ± 1min, T2 :30 ± 3sec
4. ROOM LAMP ON FOR 30S
(1) Condition 1





(2) Condition 2





(3) Condition 3









T1 : 20 ± 1min, T2 : 30 ± 3sec
5. ROOM LAMP ON FOR 20MIN
(1) Condition 1





(2) Condition 2





(3) Condition 3









T1 :20 ± 1min, T2 : 30 ± 3sec
6. ROOM LAMP DECAYING
(1) Condition 1





(2) Condition 2





(3) Condition 3





(4) Condition 4









T1 : 20 ± 1min, T2 : 30 ± 3sec.
7. ROOM LAMP ON
(1) Condition 1





(2) Condition 2





(3) Condition 3









T1 : 20 ± 1min, T2 : 30 ±3sec

NOTE:
1. Room Lamp should not be flickered when turning IGN1 ON.
2. Exposure for the Room Lamp should be more than 32 steps.