LEMON Manuals: Even more car manuals for everyone: 1960-2025
Home >> Hyundai >> 2009 >> Entourage GLS >> Repair and Diagnosis >> Brakes >> Traction Control >> ESC (Electronic Stability Control) System >> ESC Operation Mode
April 5, 2026: LEMON Manuals is launched! Read the announcement.

ESC Operation Mode

Fig 1: ESC Operation Mode - Step 1
G04881010Courtesy of HYUNDAI MOTOR CO.
Fig 2: ESC Operation Mode - Step 2
G04881011Courtesy of HYUNDAI MOTOR CO.

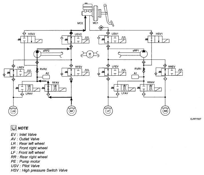
ESC OPERATION MODE 

  1. ESC Non-operation-Normal braking.
    ESC NON-OPERATION-NORMAL BRAKING

      Inlet valve (EV) Outlet valve (AV) Pilot valve (USV) High pressure switch valve (HSV) Pump motor
    Normal braking Open Close Open Close OFF
    Fig 3: ESC Operation Mode Circuit Diagram
    G05323233Courtesy of HYUNDAI MOTOR CO.
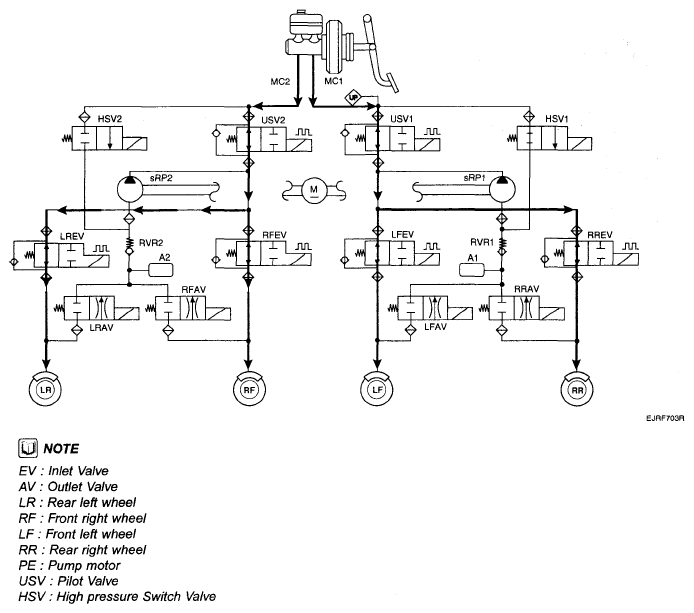
  2. ESC INCREASE MODE
    ESC INCREASE MODE

      Inlet valve (EV) Outlet valve (AV) Pilot valve (USV) High pressure switch valve (HSV) Pump motor
    Normal braking Open Close Close (Partial) Open ON (Motor speed control)
    Fig 4: ESC Increase Mode Circuit Diagram
    G05323234Courtesy of HYUNDAI MOTOR CO.
  3. ESC HOLD MODE ( FR is only controlled.)
    ESC HOLD MODE

      Inlet valve (EV) Outlet valve (AV) Pilot valve (USV) High pressure switch valve (HSV) Pump motor
    Normal braking Close Close Close (Partial) Open ON (Motor speed low control)
    Fig 5: ESC Hold Mode (FR Is Only Controlled) Circuit Diagram
    G05323235Courtesy of HYUNDAI MOTOR CO.
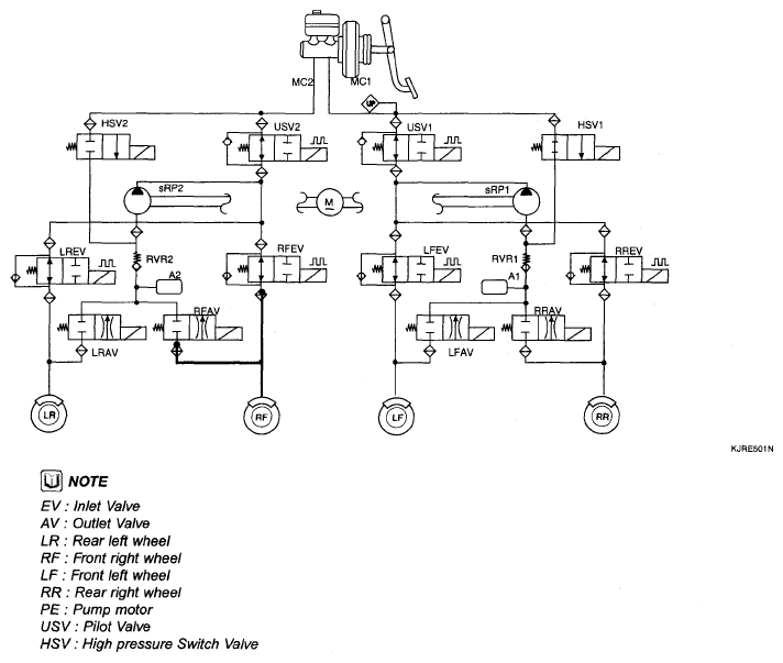
  4. ESC DECREASE MODE (FR is only controlled)
ESC DECREASE MODE

  Inlet valve (EV) Outlet valve (AV) Pilot valve (USV) High pressure switch valve (HSV) Pump motor
Normal braking Close Open Close (Partial) Open ON (Motor speed low control)
Fig 6: ESC Decrease Mode (FR Is Only Controlled) Circuit Diagram
G05323236Courtesy of HYUNDAI MOTOR CO.
Fig 7: Identifying ABS Warning Lamp Module
G05323237Courtesy of HYUNDAI MOTOR CO.

ABS WARNING LAMP MODULE 

The active ABS warning lamp module indicates the self-test and failure status of the ABS The ABS warning lamp shall be on:

EBD/PARKING BRAKE WARNING LAMP MODULE 

The active EBD warning lamp module indicates the self-test and failure status of the EBD. However, in case the Parking Brake Switch is turned on, the EBD warning lamp is always turned on regardless of EBD functions. The EBD warning lamp shall be on:

ESC WARNING LAMP (ESC SYSTEM) 

The ESC warning lamp indicates the self-test and failure status of the ESC.

The ESC warning lamp is turned on under the following conditions :

ESC FUNCTION LAMP (ESC SYSTEM) 

The ESC function lamp indicates the self-test and operating status of the ESC.

The ESC Function lamp operates under the following conditions :

ESC ON/OFF SWITCH (ESC SYSTEM) 

The ESC On/Off Switch shall be used to toggle the ESC function between On/Off states based upon driver input. The On/Off switch shall be a normally open, momentary contact switch.

Initial status of the ESC function is on and the switch is used to request an ESC status change.