LEMON Manuals: Even more car manuals for everyone: 1960-2025
Home >> Hyundai >> 2009 >> Entourage V6-3.8L >> Repair and Diagnosis >> Diagrams >> Electrical Diagrams >> Powertrain Management >> Computers and Control Systems >> Engine Control Module
April 5, 2026: LEMON Manuals is launched! Read the announcement.

Engine Control Module





Powertrain Control Module (PCM)

1. PCM HARNESS CONNECTOR




2. PCM TERMINAL FUNCTION
Connector [C01-1]









Connector [C01-2]









3. PCM TERMINAL INPUT/OUTPUT SIGNAL
Connector [C01-1]













Connector [C01-2]


















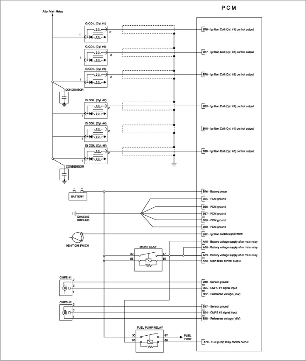
Circuit Diagram