LEMON Manuals: Even more car manuals for everyone: 1960-2025
Home >> Hyundai >> 2009 >> Entourage V6-3.8L >> Repair and Diagnosis >> Relays and Modules >> Relays and Modules - Body and Frame >> Power Sliding Door Module >> Service and Repair
April 5, 2026: LEMON Manuals is launched! Read the announcement.

Power Sliding Door Module: Service and Repair





Replacement

1. Disconnect the negative (-) battery terminal.
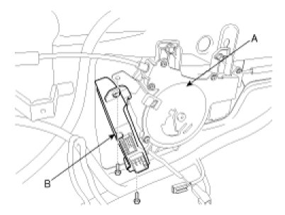
2. Remove the rear trim panel
3. Remove the connectors and mounting bolts (2EA) from the power sliding door unit(A). And then remove the power sliding door control module (B).

Tightening torque :
0.025 - 0.035 N.m (0.0025 - 0.0035 kg.m)





4. Installation is the reverse of removal.

WARNING:
- A learn cycle must be performed whenever the power is removed.
- Check the normal operation whenever a power sliding door component is removed or replaced. If the chime sound is heard, check the DTC, wiring harness and cable connections.