LEMON Manuals: Even more car manuals for everyone: 1960-2025
Home >> Hyundai >> 2009 >> Sonata GLS, 3.3 F >> Repair and Diagnosis >> Engine Performance >> Engine Control Systems >> Engine Control System (Fuel System) - 3.3L >> Engine Control Module (ECM) >> Circuit diagram
April 5, 2026: LEMON Manuals is launched! Read the announcement.

Circuit diagram

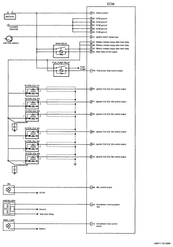
Fig 1: Fuel System - Circuit Diagram (1 Of 5)
G06107839Courtesy of HYUNDAI MOTOR CO.
Fig 2: Fuel System - Circuit Diagram (2 Of 5)
G06107840Courtesy of HYUNDAI MOTOR CO.
Fig 3: Fuel System - Circuit Diagram (3 Of 5)
G06107841Courtesy of HYUNDAI MOTOR CO.
Fig 4: Fuel System - Circuit Diagram (4 Of 5)
G06107842Courtesy of HYUNDAI MOTOR CO.
Fig 5: Fuel System - Circuit Diagram (5 Of 5)
G06107843Courtesy of HYUNDAI MOTOR CO.