LEMON Manuals: Even more car manuals for everyone: 1960-2025
Home >> Hyundai >> 2009 >> Sonata L4-2.4L >> Repair and Diagnosis >> Powertrain Management >> Diagrams >> Electrical Diagrams >> Powertrain Control Module (PCM)
April 5, 2026: LEMON Manuals is launched! Read the announcement.

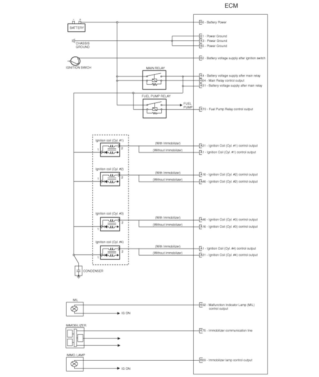
Powertrain Control Module (PCM)





Circuit diagram