LEMON Manuals: Even more car manuals for everyone: 1960-2025
Home >> Hyundai >> 2009 >> Tucson AWD V6-2.7L >> Repair and Diagnosis >> Powertrain Management >> Computers and Control Systems >> Engine Control Module >> Diagrams >> Electrical Diagrams
April 5, 2026: LEMON Manuals is launched! Read the announcement.

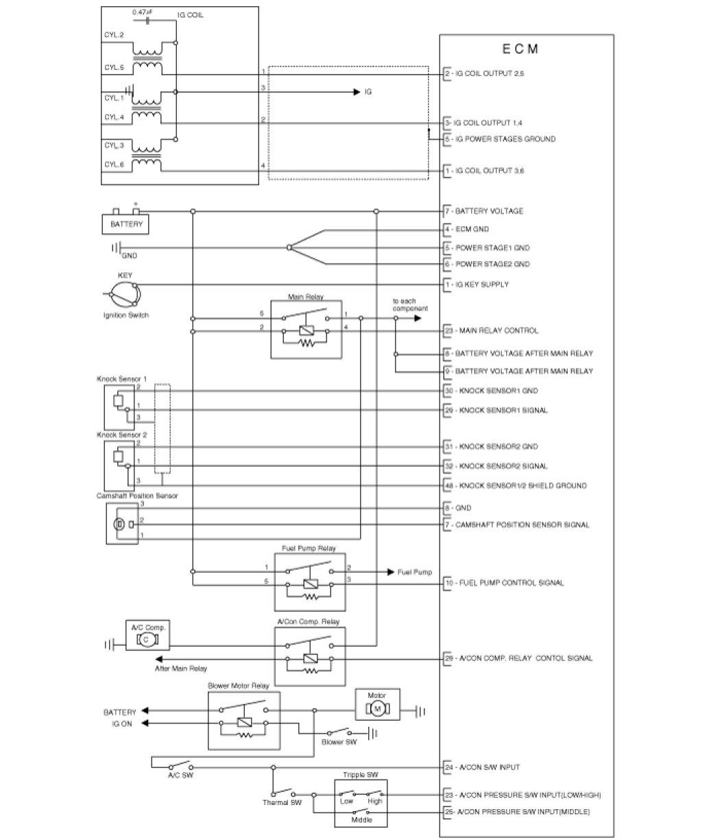
Electrical Diagrams





Circuit Diagram














1. ECM Harness Connector





2. ECM Terminal Function
[Connector C30-1]





[Connector C30-2]





[Connector C30-3]









[Connector C30-4]





[Connector C30-5]






3. ECM Terminal Input/output Signal
[Connector C30-1]





[Connector C30-2]









[Connector C30-3]













[Connector C30-4]









[Connector C30-5]