LEMON Manuals: Even more car manuals for everyone: 1960-2025
Home >> Hyundai >> 2009 >> Tucson SE, FWD >> Repair and Diagnosis >> Engine Performance >> Engine Control Systems >> Engine Control System (G6BA - GSL 2.7L) >> Engine Control Module (ECM) >> Circuit Diagram
April 5, 2026: LEMON Manuals is launched! Read the announcement.

Circuit Diagram

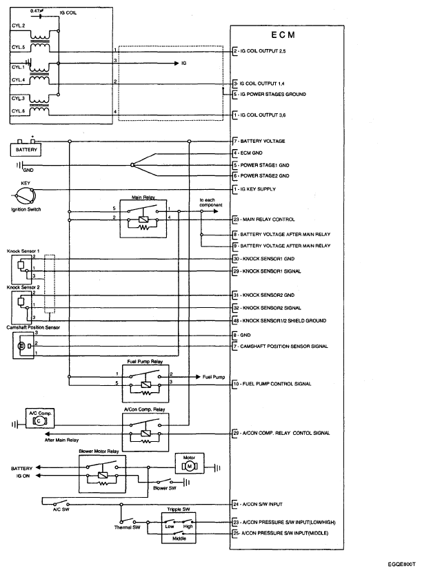
Fig 1: Engine Control Module Circuit Diagram (1 Of 3)
G04810166Courtesy of HYUNDAI MOTOR CO.
Fig 2: Engine Control Module Circuit Diagram (2 Of 3)
G04810167Courtesy of HYUNDAI MOTOR CO.
Fig 3: Engine Control Module Circuit Diagram (3 Of 3)
G04810168Courtesy of HYUNDAI MOTOR CO.