LEMON Manuals: Even more car manuals for everyone: 1960-2025
Home >> Hyundai >> 2009 >> Veracruz GLS, AWD >> Repair and Diagnosis >> Engine Performance >> Engine Control Systems >> Engine Control System (Fuel System) (G6DA - GSL 3.8) >> Gasoline Engine Control System >> Engine Control Module (ECM) >> Circuit Diagram
April 5, 2026: LEMON Manuals is launched! Read the announcement.

Circuit Diagram

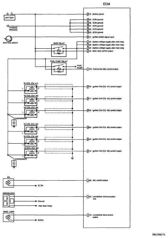
Fig 1: Fuel System - Circuit Diagram (1 Of 5)
G05329725Courtesy of HYUNDAI MOTOR CO.
Fig 2: Fuel System - Circuit Diagram (2 Of 5)
G05329726Courtesy of HYUNDAI MOTOR CO.
Fig 3: Fuel System - Circuit Diagram (3 Of 5)
G05329727Courtesy of HYUNDAI MOTOR CO.
Fig 4: Fuel System - Circuit Diagram (4 Of 5)
G05329728Courtesy of HYUNDAI MOTOR CO.
Fig 5: Fuel System - Circuit Diagram (5 Of 5)
G05329729Courtesy of HYUNDAI MOTOR CO.