LEMON Manuals: Even more car manuals for everyone: 1960-2025
Home >> Hyundai >> 2010 >> Genesis Coupe V6-3.8L >> Repair and Diagnosis >> Diagrams >> Electrical Diagrams >> Starting System >> Keyless Starting System >> Keyless Start Control Module >> PDM(Power Distribution Module)
April 5, 2026: LEMON Manuals is launched! Read the announcement.

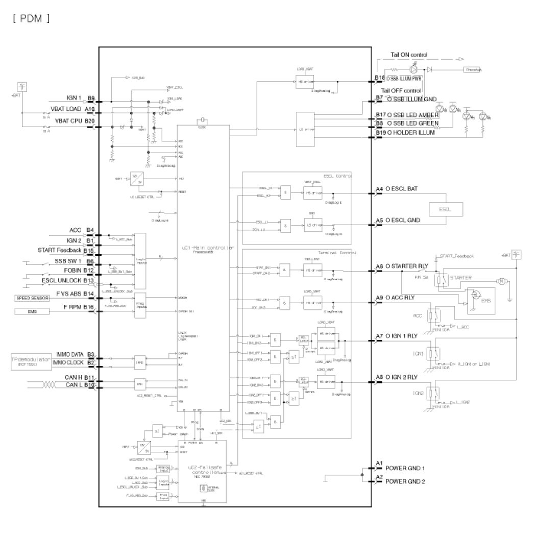
PDM(Power Distribution Module)





System Circuit Diagram