LEMON Manuals: Even more car manuals for everyone: 1960-2025
Home >> Hyundai >> 2010 >> Genesis Sedan V6-3.8L >> Repair and Diagnosis >> Diagrams >> Electrical Diagrams >> Memory Positioning Systems >> Memory Positioning Module >> IMS Control Switch
April 5, 2026: LEMON Manuals is launched! Read the announcement.

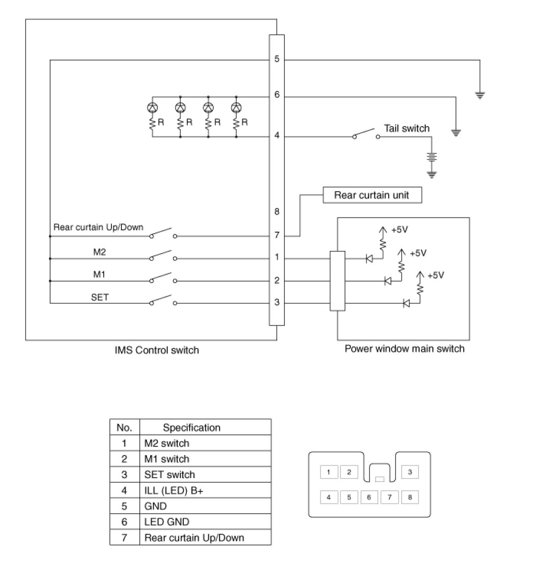
IMS Control Switch





Circuit Diagram