LEMON Manuals: Even more car manuals for everyone: 1960-2025
Home >> Hyundai >> 2010 >> Genesis Sedan V6-3.8L >> Repair and Diagnosis >> Powertrain Management >> Computers and Control Systems >> Relays and Modules - Computers and Control Systems >> Body Control Module >> Description and Operation >> 2 of 2
April 5, 2026: LEMON Manuals is launched! Read the announcement.

2 of 2





IPM Door Lock Function
If any one of Driver Door Unlock State or Assist Door Unlock State or Rear Left Door Unlock State or Rear Door Unlock State is changed from Unlock to Lock after IPM sends (Crash Unlock = Unlock), Crash Unlock is activated again until (IGN Switch ADM = Key Off).

ADM Door Lock Function
1. Crash Unlock
(1) If Assist Door Unlock Relay = ON is occurred by Crash Unlock = Unlock, it is driven for 5 seconds even though ignition switch from on to off.
(2) After the 1) Condition, if (Crash Unlock = Unlock) is again from IPM or any Unlock state switch change to Lock from Unlock, then activate (Assist Door Unlock Relay = ON) for 5 seconds again.
(3) During Crash Unlock active mode, any other Lock or Unlock command ignores if not the reset condition.
(4) Even though Battery voltage is out of operating area, it is activated.
(5) (IGN = OFF) & (Crash Unlock = Unlock) / Ignore.
(6) (Rear Left Door Unlock Relay = Unlock) and (Rear Right Door Unlock Relay = Unlock) is activated at the same time of Assist Door Unlock Relay.
2. RKE LOCK/UNLOCK output
(1) When RKE Lock/Unlock are received during IGN switch ADM = Key Off, ECS signal are sent as following from ADM.




(2) Assist Unlock State Output
The status of Assist Unlock State is sent as following after 1000ms from IGN SW OFF->ON.




(3) At competition
When IGN SW became off from on before the complete output by (2) and RKE request occurred at about the same time, ECS signal is treated as following.

NOTE:
The ECS signal is sent according to last request after delay time (100ms).





Trunk Lock Function
DDM sends CAN signal (Trunk Open switch) according to trunk open switch as follows.
1. If trunk open switch is changed from OFF to ON, DDM sends Trunk Open Switch with switch ON for holding time.
2. Trunk Open Switch will be sent with switch OFF automatically after above 1) even if trunk open switch is still ON.

Power Window Control
Power window function controls the followings.
- Driver power window
- Assist power window
- Rear Left power window
- Rear Right power window
- Power Window Inhibition : ADM, RLDM and RRDM are inhibited by Power window Lock Switch
Power window Switch on DDM can control remotely ADM, RLDM and RRDM via CAN or local communication.
Each Power window can control locally oneself.





DDM Power Window Function
Outputs the following control signals to S-ECU according to local switch.
- Driver Power window Enable, Driver Power window Up, Driver Power window Down transmits the control signals (the status of ADM switch on DDM and Power window Inhibit) to ADM via CAN
Outputs the control signals (the status of RLDM and RRDM switch on DDM and RDM Enable DDM) to control the Motor of RLDM and RRDM.
1. Power window Enable/Disable Control
Power window function has Disable, Enable and 30s Timer states.
Each module is enabled / disabled according to the inhibition signal of DDM as following.






ADM Power Window Function
Outputs the following control signals to S-ECU
- Assist Power window Enable, Assist Power window Up, Assist Power window Down are controlled according to the remote switch from DDM via CAN, the status of local switch and IGN1 ADM.
Power window function is enabled/disabled by Power window Inhibit from DDM via CAN.
1. Power window Enable/Disable Control
ADM Power window function has Enable, Disable states.

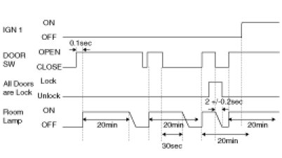
Decayed Room Lamp Control
The Decayed Room Lamps control the state of the Room Lamps by IPM.





IPM Room Lamp Control
Receive door Lock/Unlock state from each door module by CAN
1. Transitions from Room lamp OFF state



















2. Transitions from Room lamp ON for 30s state



















3. Transitions from Room lamp ON for 20min state




















Decayed Foot Lamp Control
The Decayed Foot Lamp controls the state of the Foot Lamp by IPM.
IPM receive door Lock/Unlock state from each door module by CAN




1. Transitions from Foot lamp OFF state



















2. Transitions from Foot lamp ON for 30s state



















3. Transitions from Foot lamp Decaying state

























Room Lamp Auto Cut Output Control
The Room Lamps Auto Cut controls the state of the Room Lamps by FAM.





Lamp Control
The Lamp function includes the sub functions for On/Off control of the following devices:
- Tail / Head Lamp
- Fog Lamp





Tail / Head Lamp Control
Tail / Head Lamp sub functions are controlled by MFSW, IPM and FAM.
The Tail Lamps are turned on and off by Tail Lamp Switch or Auto Light.
The Head Lamps Low and High are turn on and off by Head Lamp Switch or Auto Light.
The DRL controls Head Lamp High when the engine is running.
The Head Lamp High is on when the Passing switch is on.
1. MFSW : lamp switch control
Input detection of lamp switches (Lamp Off, Tail Lamp, Head Lamp Low, Head Lamp High, Passing, and Auto Light)
Generate Light Switch Status data compounding by some switch input (Lamp Off, Tail Lamp, Head Lamp Low, Auto Light) for FAM and IPM.
Generate Head Lamp High switch data for FAM
Generate Passing switch data for FAM
Send Light Switch Status, Head Lamp High Switch and Passing Switch data via CAN
2. IPM : Auto light control
The IPM detects Input of Auto Light Sensor level.
When IGN switch is ACC or IGN or cranking state, the IPM generates CAN signal Auto Light Out Status for FAM.
* Behavior for normal state
From ACC ON state, the IPM monitors the range of this supply and raises up a failure as the supply's voltage is out of range (that is less than 4 Volts, more than 6 Volts).
The filtering of the error is 300ms to rise up this one, and also 300ms to clear this one.
Then this failure occurs and as long as this is present, the head lamp low must be turned on, that IPM sends (Auto Light Out Status), without taking care about the sunlight level provided by the sensor.
3. FAM : Auto Light Control
The FAM controls tail and head lamp low with filtering time according to (Auto Light Out Status)
The FAM controls continuous turn on mode.
* Behavior for normal state
If the state of IGN Switch FAM is IGN or ST and Light Switch Status state is Auto Light Switch On, then TAIL LAMP RELAY output and HEAD LAMP LOW RELAY output are controlled by FAM with filtering time in accordance with Auto Light Out Status state change that is AUTO LIGHT Sensor's INPUT from IPM and according to specifications for each lamp described in below.
4. FAM : Tail Control
The FAM memorizes the AUTO CUT state in EEPROM and describes the following features.
A. Turn on and off Tail Lamp by Light switch.
B. Turn on and off Tail Lamp by Auto Light out Status.
C. Automatically cut the Tail Lamps if the driver forgets to turn them off.
D. Output control of Tail Lamp relay
E. Generate Tail Lamp Activity data.
5. FAM : Head lamp Control
A. Turn on and off Head Lamp Low by Light Switch Status.
B. Turn on and off Head Lamp High by Light Switch Status.
C. Turn on and off Head Lamp Low by Auto Light out Status.
D. Turn on and off Head Lamp High and Low by Passing Switch.
E. Output control of Head Lamp Low Relay.
F. Output control of Head Lamp High IPS by PWM Control.
G. Generate Head Lamp High IND data for CLU.
H. Generate Head Lamp Low IND data for CLU.
I. Generate Head Lamp High Activity data for Front Fog Lamp.
J. Generate Head Lamp Low Activity data for Front and Rear Fog Lamp.
6. FAM: DRL Control
Turn on and off DRL by some condition, using Head Lamp High DRL Relay outputs with dimmed intensity compared with normal High Beam operation.

Fog Lamp Control
Fog Lamp sub functions are controlled by FAM.
- Turn Front Fog Lamp on and off by control of Front Fog IPS.
- Front Fog Lamp on when only Tail Lamp on (Head Lamp on for North America).
- Turn Rear Fog Lamp on and off by control of Rear Fog IPS.
- Rear Fog Lamp on when only Front Fog Lamp on or Head Lamp on.
- Generate Front Fog Lamp Activity data for Rear Fog Lamp.

Turn Signal Lamp Control
The Turn Signal Lamp Control function controls turn signal lamps and indicators.




1. FAM : Normal Operating Condition
While IGN Switch FAM is IGN state, if Turn Signal RH Switch or Turn Signal LH Switch or Hazard switch is ON then turn signal outputs are turned ON following the switch input (LEFT, RIGHT or HAZARD).




2. FAM : Double Blinking Condition
In case of activation of hazard the fault detection will be able to detect the failure only if 3 bulbs are broken-down.
The double blinking works at IGN Switch FAM is IGN state, double blinking for Hazard.
In case of turn signal activation when one of the FRONT or REAR is broken-down (Lamp failure), the turn signal blinks with double frequency.




3. FAM : SCG (SHORT CIRCUIT TO GND) Fault Condition
If The FAM detects Short circuit to Ground, then FAM turns off the OUTPUT
.The fault detection is carried out continuously, until fault is confirmed by FAM. Once FAM confirms SCG, FAM keeps the fault condition until flasher trigger condition is changed.

Wiper Function Control
Inform wiper module current operation mode to Rain Sensor and transfer Rain sensor command to ECW via CAN network.
The Wiper Control FAM manages the Rain sensor communication.





Behavior For Normal State
1. Rain Sensing Wiping
If without the rain sensor option, the FAM can't receive Wiper Auto SW from the multi function switch via CAN.
2. The FAM shall output the various modes according to the following.





A. OFF, MIST, LOW, and HIGH / Washer operation in Non AUTO mode.
MIST, LOW, and HIGH shall be interpreted as driver requested manual modes. The RAIN SENSOR output during these switch positions shall be an "Off" or "Rain Detected" duty cycle.
B. AUTO (Sensitivity 0 - 4)
One of five sensitivity switch positions will signal the RAIN SENSOR to operate in automatic mode. Sensitivity 0 refers to the least sensitive state(the slowest, step5) while Sensitivity 4 refers to the most sensitive state(the fast, step1).
C. WASHER (Washer operation only in AUTO mode by washer Switch)
WASHER signals the RAIN SENSOR that the Wash Paddle is being depressed and that the wiper system is going through a PROGRAMMED or DEMAND WASH cycle. The RAIN SENSOR output during this switch position is an "Off" or "Rain Detected" duty cycle. The RAIN SENSOR will ignore washer fluid spray.
D. In-wipe
The in-wipe signal specifies when received (Wiper Park Position) from ECW. In-wipe information is provided so the RAIN SENSOR can assure accurate delay times and smooth operation while in the automatic mode.
3. Rain Sensor to FAM
The Sensor shall output the various modes according to the following:
A. OFF
OFF is the Sensor's request to the wiper controller to stop wiping.
B. Fault 1 - Internal Fault Detected
Internal Fault Detected shall attempt to be asserted by the Sensor whenever an internal or onboard software or hardware fault is detected. This signal implies that, through on-board diagnostics, the Sensor has detected a problem within the Sensor module and, therefore, has little or no confidence in its' ability to function properly.
C. Fault 2 - Glass Attachment Fault Detected
Glass Attachment Fault Detected is asserted when the Sensor module, through internal light intensity monitoring, detects an attachment problem between the Sensor and windshield.
D. Fault 3 - No Input Signal Present
No Input Signal Present is asserted when the Sensor cannot detect a usable input signal from the wiper control for a minimum of 0.5 seconds.
E. Rain Detected
Rain Detected shall be asserted in place of an OFF output in all modes when rain is detected and for 5 minutes following rain detection. Rain Detected is defined as when the internal Rain Intensity variable is greater 40.
F. Low Speed Request
A Low Speed Request shall be asserted in the automatic mode when the Sensor determines that the wiper system should be operating in Low speed. A minimum of 5 consecutive output periods and not more than 10 shall be sent to request a single wipe (command wipe).
G. High Speed Request
A High Speed Request shall be asserted in the automatic mode when the Sensor determines that the wiper system should be operating in High speed.
H. Sensitivity Performance
Sensor sensitivity (ability to respond to various moisture accumulation conditions) performance shall meet the nominal wiper period.
I. Output Wipe Mode Smoothing/Response Time
The Sensor processing algorithms shall contain smoothing characteristics that prevent erratic wipe transitions. Delay time changes, transitions between delay and continuous low speed, and transitions between continuous low speed and continuous high speed shall be smooth.

Automatic Mode
When the wiper switch is moved to AUTO position (Wiper Auto Switch=ON & Wiper Int Switch=ON) and (IGN Switch FAM = IGN), the Rain sensor is considered to be in "AUTOMATIC" mode.
1. If the wiper switch has been left in AUTOMATIC Mode with the vehicle ignition OFF, and then the vehicle ignition switch is turned on, the FAM transmits single wiping command.
2. The FAM transmits a single wiping command whenever rain has been detected(Rain Detected signal from Rain sensor) and the wiper switch is moved to the AUTO position. But The FAM does not transmit single wiping command when the wiper switch is moved to the AUTO position and OFF signal is being received from Rain sensor. But if the wiper switch is moved to AUTO position for the first time since vehicle ignition switch is turned on then the FAM transmits single wiping command regardless of Rain Detected or OFF signal.
3. Sensitivity Adjustment Function
The drive may adjust the rain sensor performance by adjusting the sensitivity input. When in AUTOMATIC mode, the FAM transmits single wiping command each time the SENSITIVITY is adjusted upward to a more sensitive setting(downward more then one step). This single wiping command will only be transmitted if Rain Detected signal is being received from the Rain sensor. If the sensitivity adjustment is adjusted upward more than one sensitivity, the FAM will transmit single wiping command unless the time between Increases is more than 2 seconds.

Head Lamp Washer Function
1. In case of IGN Switch FAM = IGN & (Tail Lamp LH=ON and Tail Lamp RH=ON)status, if head lamp washer Switch input is detected, head lamp washer output is turned ON.
2. In case of (IGN Switch FAM = IGN & Head Lamp Low Relay=ON) status, if washer Switch input is detected more T1 time, head lamp washer output is turned ON.
3. When a washer request arrived during washer activation, the second it's not take in account.
T1,T2,T3 Time is implemented in the FAM EEPROM.





The Outside Mirror Control
The Outside Mirror angle control function and IMS function controls the following devices.
- Driver side of Outside Glass control motor and 2 potentio-meters (vertical and horizontal).
- Assist side of Outside Glass control motor and 2 potentio-meters (vertical and horizontal).





The Outside Mirror Folding & Unfolding Control
- Driver side of Outside Mirror Folding IPS.
- Assist side of Outside Mirror Folding IPS.





DDM Operation
1. Operating Condition
DDM controls the operating condition (Enable or Disable) of the Outside Mirror Folding as follows. Outside Mirror Folding can be controlled by user under operating condition that is in ENABLE, TIMER, and TIMER EXTEND.
A. The Outside Mirror Folding will be enabled when IGN Switch DDM is ACC, IGN or ST.
B. After IGN Switch DDM released from (ACC, IGN or ST), the Outside Mirror Folding will be enabled until 30s normally, which called "TIMER".
C. In the "TIMER" and timer elapsed 15s±500ms, if user press Outside Mirror Fold Switch ON, "30s Enable Timer" is extended 15s±500ms this is called "TIMER EXTEND" function.D33
2. Fold/Unfold Operation
When operating condition is in ENABLE, TIMER, and TIMER EXTEND mentioned above, Fold/Unfold is controlled by user operation of Outside Mirror Fold Switch as follows.






ADM Operation
Fold/Unfold is controlled by Assist Outside Mirror Fold/Unfold command from DDM via CAN communication.
No switch input for controlling Fold/Unfold operation is available in ADM.