LEMON Manuals: Even more car manuals for everyone: 1960-2025
Home >> Hyundai >> 2010 >> Sonata L4-2.4L >> Repair and Diagnosis >> Relays and Modules >> Relays and Modules - Powertrain Management >> Relays and Modules - Computers and Control Systems >> Engine Control Module >> Diagrams >> Electrical Diagrams
April 5, 2026: LEMON Manuals is launched! Read the announcement.

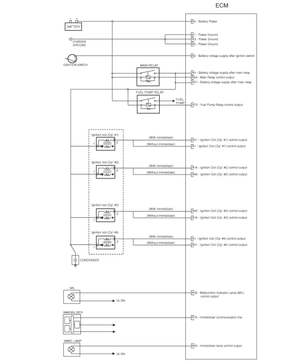
Electrical Diagrams





Circuit diagram