LEMON Manuals: Even more car manuals for everyone: 1960-2025
Home >> Hyundai >> 2010 >> Sonata V6-3.3L >> Repair and Diagnosis >> Diagrams >> Electrical Diagrams >> Powertrain Management >> Computers and Control Systems >> Engine Control Module
April 5, 2026: LEMON Manuals is launched! Read the announcement.

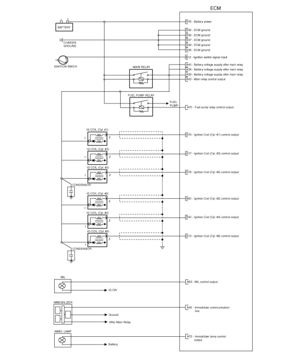
Engine Control Module





Circuit diagram