LEMON Manuals: Even more car manuals for everyone: 1960-2025
Home >> Hyundai >> 2010 >> Tucson AWD L4-2.4L >> Repair and Diagnosis >> Powertrain Management >> Computers and Control Systems >> Relays and Modules - Computers and Control Systems >> Main Relay (Computer/Fuel System) >> Locations >> Ems Box
April 5, 2026: LEMON Manuals is launched! Read the announcement.

Ems Box

EMS Box


EMS Box:






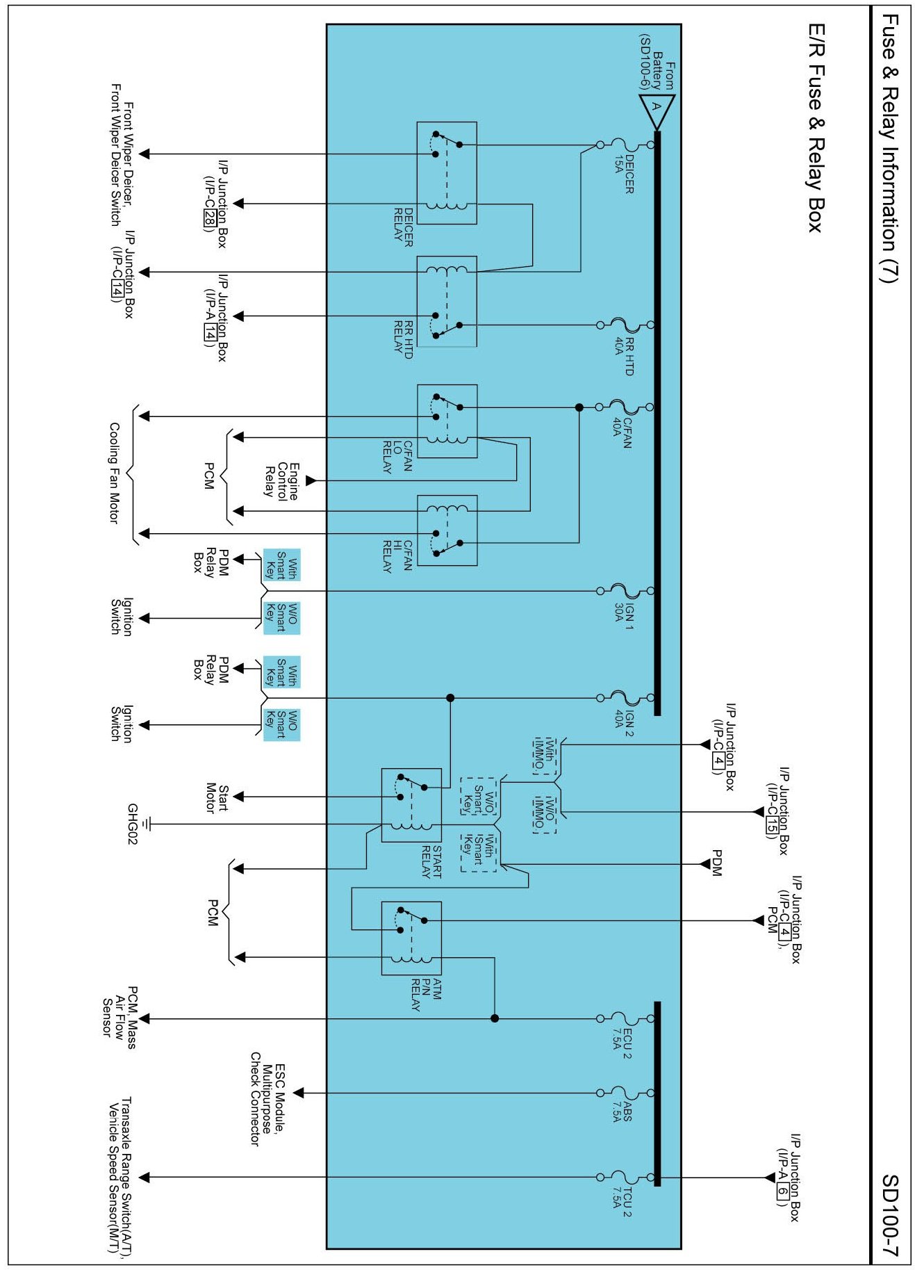
E/R Fuse & Relay Box


E/R Fuse & Relay Box View:






EMS Box


EMS Box View: