LEMON Manuals: Even more car manuals for everyone: 1960-2025
Home >> Hyundai >> 2010 >> Tucson AWD L4-2.4L >> Repair and Diagnosis >> Starting and Charging >> Relays and Modules - Starting and Charging >> Keyless Start Control Module >> Diagrams >> Electrical Diagrams >> Smart key unit
April 5, 2026: LEMON Manuals is launched! Read the announcement.

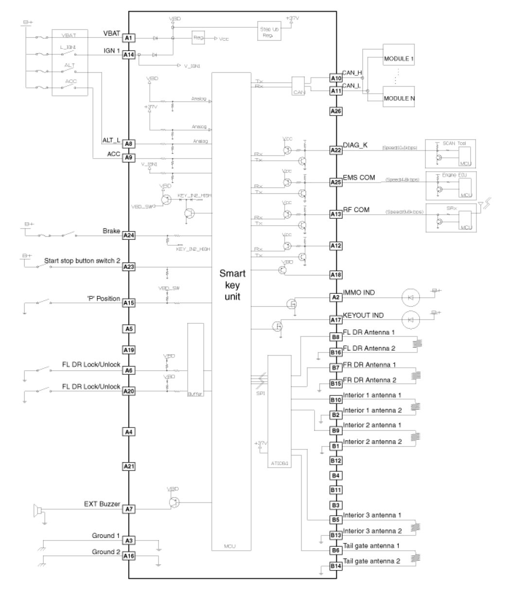
Smart key unit





Circuit Diagram