LEMON Manuals: Even more car manuals for everyone: 1960-2025
Home >> Hyundai >> 2010 >> Veracruz AWD V6-3.8L >> Repair and Diagnosis >> Powertrain Management >> Computers and Control Systems >> Relays and Modules - Computers and Control Systems >> Body Control Module >> Description and Operation >> BCM (Body Control Module) >> 1 of 2
April 5, 2026: LEMON Manuals is launched! Read the announcement.

1 of 2





Description





Operation

1. WIPER SYSTEM
(1) LOW SPEED CONTROL
In IGN2 ON State, if there is WIPER LOW input (LIN COMMUNICATION), then set Low Speed Wiping(LIN COMMUNICATION).
(2) HIGH SPEED CONTROL
In IGN2 ON State, if there is WIPER HIGH input (LIN COMMUNICATION), then set High Speed Wiping(LIN COMMUNICATION).
(3) VEHICLE SPEED AND INT. TIME VOLUME CONTROL THE INTERVAL TIME OF INT. WIPER.
In IGN2 ON State, if there is WIPER INT. INPUT (LIN COMMUNICATION), then set Intermittent Wiping(LIN COMMUNICATION) and send Intermittent Time(LIN COMMUNICATION).
(4) BASIC INTERVAL TIME
A. If the variance of basic interval time is less then 0.3sec, the interval time is not changed.
B. If the basic interval time is less than 1.5sec, the wiper moves continuously.
C. If the interval time is set (or has passed) more than 10sec, and in case vehicle runs (From vehicle stop to more than 7km/h), the wiper motor is driven.
Default value





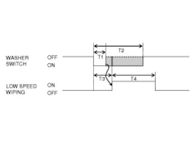
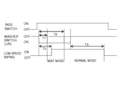
2. WIPER MOTOR CONTROL FOR WASHER
(1) MIST MODE WASHING WIPER SWITCH INPUT : 0.16SEC ~ 0.56SEC)
Condition 1









T1 : 0.16sec, T2 : 0.56sec,
T3 : 0.28sec, T4 : 0.7 ± 0.1
(2) NOMINAL MODE WASHING (WIPER SW INPUT : MORE 0.56 SEC)
Condition 1






NOTE:
The WASHER SWITCH input is ignored during cranking (IGN2 is OFF during cranking)

Condition 2









T1 : 0.16sec, T2 : 0.56sec,
T3 : 0.28sec, T4 : 3 ± 0.3sec.
(3) WASHER FUNCTION DURING WIPER INT. MODE
Condition 1





Condition 2





Condition 3









T1 : more than 0.56sec, T2 : 0.16sec ~ 0.56sec,
T3 : 0.28sec, T4 : 3 ± 0.3sec, T5 : T6 - 0.7sec,
T6 : INT. Time, T7 : Within T6.
(4) WASHER FUNCTION DURING WIPER AUTO. MODE
Condition 1









3. RAIN SENSING WIPER
In IGN2 ON state, if AUTO switch input (LIN Communication) is ON then both Low Speed Wiping (LIN COMMUNICATION) and High Speed Wiping (LIN COMMUNICATION) are controlled by the RAIN SENSOR INPUT signal.

NOTE:
When RAIN SENSOR is mounted on vehicle, the RAIN Bit of LIN is 1. In this Vehicle, if AUTO switch of M/F is ON , then M/F is sent W INT 1 and INT. time combination(INT2, INT1, INT0) via LIN COMMUNICATION.

(1) BCM OUTPUT SIGNAL(BCM TO RAIN SENSOR)
The BCM sends to the rain sensor a pulse width modulated waveform. The total period of the waveform is greater than 10 milliseconds.




(2) BCM INPUT SIGNAL(RAIN SENSOR TO BCM)
The Rain Sensor sends back to the BCM a pulse width modulated waveform with one distinct period (see diagram below):




(3) AUTOMATIC MODE
When the wiper switch is moved to AUTO position and the Ignition switch is in IGN2 position, the Rain sensor is considered to be in "AUTOMATIC" mode.
4. TAIL LAMP AUTO CUT
(1) GENERAL CONTROL
In BATTERY ON State, if (TAIL SW INPUT is ON and AUTO CUT is not activity), TAIL LAMP RELAY OUTPUT is ON.
The BCM memorizes the AUTO CUT state in EEPROM.
(2) TAIL LAMP AUTO CUT IN NON-SMK OPTION
The auto-cut strategy ensures that tail lamps are turned off even if the driver forgets to turn them off.
The tail lamp is turned ON by tail switch after KEY IN switch ON, then after if the user KEY IN switch OFF and opens the driver side door, the TAIL lamp is automatically cut.
Also at the state KEY IN switch ON, when KEY IN switch is turned OFF after opens the Diver Side DOOR, the TAIL lamp is automatically cut.
(The switch detection sequence of KEY IN switch and DRIVER DOOR switch is ignored.)
After "AUTO CUT", the "AUTO CUT" function is disabled and TAIL LIGHTS are turned ON if the driver turns ON again the TAIL switch or KEY IN becomes ON.




(3) TAIL LAMP AUTO CUT FUNCTION IN SMK OPTION
A. The case of without Limp Home condition
The state of (ACC OFF & IGN1 OFF & IGN2 OFF), and Tail Lamp output On, if Driver side Door is opened, the TAIL lamp is automatically cut.
Also after Driver side Door is opened, (ACC OFF & IGN1 OFF & IGN2 OFF), the TAIL lamp is automatically cut.
B. The case of Limp Home condition
TAIL lamp auto cut function is operated the same method of Non-PIC SMK Option.

NOTE:
BCM has same behavior between SMK and Non-SMK option in tail lamp autocut function. So, for active autocut, it is need to off the key IN and ACC signal.

5. HEAD LAMP CONTROL
(1) HEAD LAMP LOW CONTROL
In IGN2 ON State, if there is HEAD LAMP LOW SW input (LIN COMMUNICATION), HEADLAMP LOW RELAY OUTPUT is turned ON.





In IGN1 ON and IGN2 ON status, If the LIN Communication failure is detected, turn on the head Lamp Low. (LIMPHOME strategy)
(2) HEAD LAMP HIGH CONTROL
In IGN2 ON State, If HEAD LAMP HIGH SW INPUT and HEAD LAMP LOW RELAY (LIN COMMUNICATION) is detected then HEAD LAMP HIGH RLY OUTPUT is turned ON, which means the O HL HIGH RELAY and also the O HL HIGH IND the indicator on the dashboard.
(3) PASSING CONTROL
In IGN2 ON State, If HEAD LAMP PASSING INPUT (LIN COMMUNICATION) is detected then HEAD LAMP HIGH RLY OUTPUT (O HL HIGH RELAY and O HL HIGH IND) is turned ON and also at the same time HEAD LAMP LOW RLY OUTPUT.
6. AUTO LIGHT CONTROL
In the state of IGN1 ON and IGN2 ON, when MULTI FUNCTION switch module detects AUTO LIGHT switch ON, TAIL LAMP RELAY output and HEAD LAMP LOW RELAY output are controlled according to AUTO LIGHT Sensor's INPUT. In the state of IGN1 ON, when MULTI FUNCTION switch module detects AUTO LIGHT switch ON, TAIL LAMP RELAY output is controlled according to AUTO LIGHT Sensor's INPUT.

If IGN1 ON (for cranking) or ACC ON (for AV TAIL Function activity), the BCM supplies the power to Auto light sensor and monitors the range of this supply and raises up a failure as the supply's voltage is out of range (that is.: less than 4 Volts, more than 6 Volts).

The filtering of the error is 300ms to raise up this one, and also 300ms to clear this one.

Then this failure occurs and as long as this is present, the head lamp must be turned on without taking care about the sunlight level provided by the sensor.

This is designed to prevent any head lamp cut off when the failure occurs during the night.
(1) EXPORT VERSION









NOTE:
At export version HEAD LAMP LOW RELAY is turned ON/OFF at the time TAIL LAMP RELAY is turned ON/OFF.

(2) THRESHOLD VALUE TABLE
In IGN2 ON State, according to AUTO LIGHT Sensor's INPUT, TAIL and HEADLAMP is ON/OFF.





7. FRONT FOG LAMP CONTROL
In case of (IGN2 = ON) & (HEADLAMP LOW OUTPUT= ON) & (HEADLAMP HIGH OUTPUT OFF) status, if FRONT FOG SWITCH input is detected, FRT FOG LAMP RELAY OUTPUT (O FOG FRONT RELAY) is turned ON.





NOTE:
Front Fog Lamp SW is not Self-Return Type.

8. DAYTIME RUNNING LIGHT CONTROL (CANADA)
DRL option input & North America option input line is connected to the ground electrical level.
CANADA option uses HIGH BEAM as the HEAD LAMP.
Release condition:
(1) HEADLAMP LOW RELAY ON or
(2) HEADLAMP HIGH RELAY or PASSING ON or
(3) PARKING BRAKE ON





NOTE:
Headlamp low output includes condition on switches and also by AUTO LIGHT.