LEMON Manuals: Even more car manuals for everyone: 1960-2025
Home >> Hyundai >> 2011 >> Azera GLS >> Repair and Diagnosis >> Engine Performance >> Engine Control Systems >> Engine Control System Components >> Description and Operation >> OBD-II review >> 2. Configuration of hardware and related terms
April 5, 2026: LEMON Manuals is launched! Read the announcement.

2. Configuration of hardware and related terms

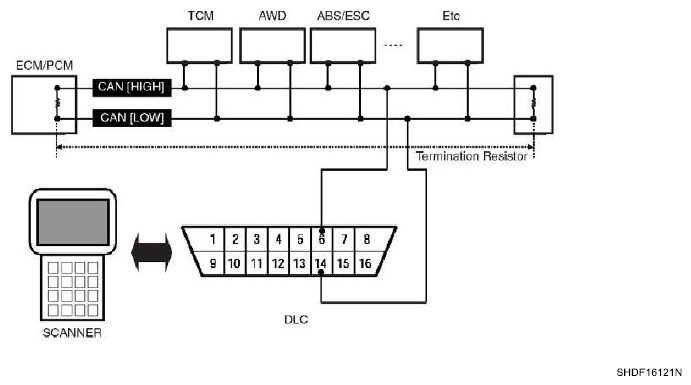
  1. GST (Generic scan tool)
    Fig 1: Generic Scan Tool Connection Diagram
    G06216276
  2. MIL (Malfunction indication lamp) - MIL activity by transistor
    Fig 2: MIL (Malfunction Indication Lamp)
    G07249654Courtesy of HYUNDAI MOTOR CO.

    The Malfunction Indicator Lamp (MIL) is connected between ECM or PCM-terminal Malfunction Indicator Lamp and battery supply (open collector amplifier).

    In most cars, the MIL will be installed in the instrument panel. The lamp amplifier can not be damaged by a short circuit.

    Lamps with a power dissipation much greater than total dissipation of the MIL and lamp in the tester may cause a fault indication.

    • At ignition ON and engine revolution (RPM)< MIN. RPM, the MIL is switched ON for an optical check by the driver.
  3. MIL illumination

    When the ECM or PCM detects a malfunction related emission during the first driving cycle, the DTC and engine data are stored in the freeze frame memory. The MIL is illuminated only when the ECM or PCM detects the same malfunction related to the DTC in two consecutive driving cycles.

  4. MIL elimination
    • Misfire and Fuel System Malfunctions:

      For misfire or fuel system malfunctions, the MIL may be eliminated if the same fault does not reoccur during monitoring in three subsequent sequential driving cycles in which conditions are similar to those under which the malfunction was first detected.

    • All Other Malfunctions:

      For all other faults, the MIL may be extinguished after three subsequent sequential driving cycles during which the monitoring system responsible for illuminating the MIL functions without detecting the malfunction and if no other malfunction has been identified that would independently illuminate the MIL according to the requirements outlined above.

  5. Erasing a fault code

    The diagnostic system may erase a fault code if the same fault is not re-registered in at least 40 engine warm-up cycles, and the MIL is not illuminated for that fault code.

  6. Communication Line (CAN)
    • Bus Topology: Line (bus) structure
    • Wiring: Twisted pair wire
    • Off Board DLC Cable Length: Max. 5m
    • Data Transfer Rate
    • Diagnostic: 500 kbps
    • Service Mode (Upgrade, Writing VIN): 500 or 1Mbps)
  7. Driving cycle

    A driving cycle consists of engine start up, and engine shut off.

  8. Warm-up cycle

    A warm-up cycle means sufficient vehicle operation such that the engine coolant temperature has risen by at least 40 degrees Fahrenheit from engine starting and reaches a minimum temperature of at least 160 degrees Fahrenheit.

  9. Trip cycle

    A trip means vehicle operation (following an engine-off period) of duration and driving mode such that all components and systems are monitored at least once by the diagnostic system except catalyst efficiency or evaporative system monitoring when a steady-speed check is used, subject to the limitation that the manufacturer-defined trip monitoring conditions shall all be encountered at least once during the first engine start portion of the applicable FTP cycle.

  10. DTC format
    • Diagnostic Trouble Code (SAE J2012)
    • DTCs used in OBD-II vehicles will begin with a letter and are followed by four numbers.

    The letter of the beginning of the DTC identifies the function of the monitored device that has failed. A "P" indicates a powertrain device, "C" indicates a chassis device. "B" is for body device and "U" indicates a network or data link code. The first number indicates if the code is generic (common to all manufacturers) or if it is manufacturer specific. A "0" & "2" indicates generic, "1" indicates manufacturer-specific. The second number indicates the system that is affected with a number between 1 and 7.

    The following is a list showing what numbers are assigned to each system.

    1. Fuel and air metering
    2. Fuel and air metering(injector circuit malfunction only)
    3. Ignition system or misfire
    4. Auxiliary emission controls
    5. Vehicle speed controls and idle control system
    6. Computer output circuits
    7. Transmission

    The last two numbers of the DTC indicates the component or section of the system where the fault is located.

  11. Freeze frame data

    When a freeze frame event is triggered by an emission related DTC, the ECM or PCM stores various vehicle information as it existed the moment the fault occurred. The DTC number along with the engine data can be useful in aiding a technician in locating the cause of the fault. Once the data from the 1st driving cycle DTC occurrence is stored in the freeze frame memory, it will remain there even when the fault occurs again (2nd driving cycle) and the MIL is illuminated.