LEMON Manuals: Even more car manuals for everyone: 1960-2025
Home >> Hyundai >> 2011 >> Elantra Limited >> Repair and Diagnosis (Single Page) >> Accessories & Equipment >> Communication Devices >> BCM (Body Control Module) >> Body Control Module (BCM) >> Description and Operation >> Function >> Description Of State
April 5, 2026: LEMON Manuals is launched! Read the announcement.

Description Of State

  1. Room Lamp off
    STATE DESCRIPTION

    State Description
    Initial Condition Room lamp decaying
    Event Decay finished
    Action Room lamp off
    Fig 1: Room Lamp Timing Chart
    G07256611Courtesy of HYUNDAI MOTOR CO.
  2. Room Lamp on
    STATE DESCRIPTION

    State Description
    Initial Condition Room Lamp off
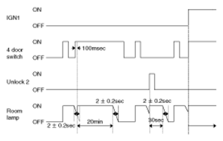
    Event IGN1 on & 4door switch on
    Action Room Lamp on
    Fig 2: Room Lamp Timing Chart
    G07256612Courtesy of HYUNDAI MOTOR CO.
    STATE DESCRIPTION

    State Description
    Initial Condition Room Lamp Decaying
    Event IGN1 on & b_4DRSW=on
    Action Room Lamp on
    STATE DESCRIPTION

    State Description
    Initial Condition Room Lamp on for 20min
    Event IGN1 on
    Action Room Lamp on
  3. Room Lamp on for 30s
    STATE DESCRIPTION

    State Description
    Initial Condition Room Lamp on for 30s
    Event TX Unlock or Key In switch on→off
    Action Restart Room Lamp on for 30s
    STATE DESCRIPTION

    State Description
    Initial Condition Room Lamp on
    Event IGN1 off & b_4DRSW=off
    Action Start Room Lamp on for 30s
    Fig 3: Room Lamp Timing Chart
    G07256613Courtesy of HYUNDAI MOTOR CO.
    NOTE:
    • The flickering of lamp is not allowed even though IGN1 ON
    • The resolution of Decayed Room Lamp must be more than 32 step.
    STATE DESCRIPTION

    State Description
    Initial Condition Room Lamp on for 20min
    Event IGN1 off & b_4DRSW=off
    Action Start Room Lamp on for 30s
    STATE DESCRIPTION

    State Description
    Initial Condition Room Lamp Decaying
    Event IGN1 off & b_4DRSW=off &
    (TX Unlock or Key In switch on→off)
    Action Start Room Lamp on for 30s
    STATE DESCRIPTION

    State Description
    Initial Condition Room Lamp off
    Event IGN1 off & b_4DRSW=off &
    (TX Unlock or Key In switch on→off)
    Action Start Room Lamp on for 30s
  4. Room Lamp Decaying
    STATE DESCRIPTION

    State Description
    Initial Condition Room Lamp on for 30s
    Event IGN1 on or 30s elapsed or Any Door
    Unlock→All Door Lock1
    Action Start Room Lamp Decaying
    Fig 4: Room Lamp Timing Chart
    G07256614Courtesy of HYUNDAI MOTOR CO.
    STATE DESCRIPTION

    State Description
    Initial Condition Room Lamp on
    Event IGN1 on or b_4DRSW=off
    Action Start Room Lamp Decaying
    STATE DESCRIPTION

    State Description
    Initial Condition Room Lamp on for 20min
    Event 20min elapsed or (IGN1 off & b_4DRSW=off & All Door Lock1)
    Action Start Room Lamp Decaying
    Fig 5: Room Lamp Timing Chart
    G07256615Courtesy of HYUNDAI MOTOR CO.
  5. Room Lamp on for 20min
    STATE DESCRIPTION

    State Description
    Initial Condition Room Lamp off
    Event IGN1 off &
    (b_4DRSW=off→on for 100ms)
    Action Start Room Lamp on for 20min
    STATE DESCRIPTION

    State Description
    Initial Condition Room Lamp Decaying
    Event IGN1 off &
    (b_4DRSW=off→on for 100ms)
    Action Start Room Lamp on for 20min
    STATE DESCRIPTION

    State Description
    Initial Condition Room Lamp on for 30s
    Event IGN1 off &
    (b_4DRSW=off→on for 100ms)
    Action Start Room Lamp on for 20min
    STATE DESCRIPTION

    State Description
    Initial Condition Room Lamp on
    Event IGN1 off & b_4DRSW=on
    Action Start Room Lamp on for 20min