LEMON Manuals: Even more car manuals for everyone: 1960-2025
Home >> Hyundai >> 2011 >> Equus Signature >> Repair and Diagnosis (Single Page) >> Accessories & Equipment >> Memory Modules >> Integrated Memory System (IMS) >> Schematic Diagrams >> Circuit Diagram(1) >> Power Seat Module - PSM (For Driver)
April 5, 2026: LEMON Manuals is launched! Read the announcement.

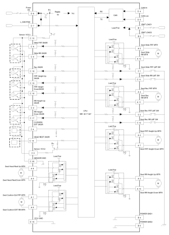
Power Seat Module - PSM (For Driver)

Fig 1: Power Seat Module Circuit Diagram - For Driver (1 Of 2)
G07312769Courtesy of HYUNDAI MOTOR CO.
Fig 2: Power Seat Module Circuit Diagram - For Driver (2 Of 2)
G07312770Courtesy of HYUNDAI MOTOR CO.