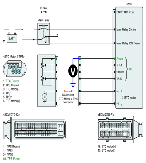
Power Circuit Inspection
- Check Open or Short in power circuit
- IG "OFF" and disconnect ETC Motor & TPS connector.
- IG "ON".
- Measure voltage between TPS1 power terminal of ETC Motor & TPS harness connector and chassis ground.
Specification: Approx. 3.5V
- Is the measured voltage within specification?
YES
- Go to "SIGNAL CIRCUIT INSPECTION " procedure.
NO
- Repair open or short to ground in power harness, and go to "VERIFICATION OF VEHICLE REPAIR " procedure.