LEMON Manuals: Even more car manuals for everyone: 1960-2025
Home >> Hyundai >> 2011 >> Equus Ultimate >> Repair and Diagnosis >> Engine Performance >> Engine Control Systems >> General Information (Fuel System) >> Troubleshooting >> Connector Inspection Procedure >> Electrical Circuit Inspection Procedure
April 5, 2026: LEMON Manuals is launched! Read the announcement.

Electrical Circuit Inspection Procedure

  1. Procedures for Open Circuit
    1. Continuity Check
    2. Voltage Check

      If an open circuit occurs (as seen in [FIG. 1]), it can be found by performing StepElectrical Circuit Inspection Procedure  2 (Continuity Check Method) or Step Electrical Circuit Inspection Procedure 3 (Voltage Check Method)

      Fig 1: Identifying Open Electric Circuit
      G07309194Courtesy of HYUNDAI MOTOR CO.
  2. Continuity Check Method
    NOTE: When measuring for resistance, lightly shake the wire harness above and below or side to side.

    Specification (Resistance) 

    1Ω or less → Normal Circuit

    1MΩ or Higher → Open Circuit

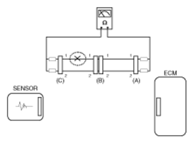
    1. Disconnect connectors (A), (C) and measure resistance between connector (A) and (C) as shown in [FIG. 2].

      In [FIG.2.] the measured resistance of line 1 and 2 is higher than 1MΩ and below 1 Ω respectively. Specifically the open circuit is line 1 (Line 2 is normal). To find exact break point, check sub line of line 1 as described in next step.

      Fig 2: Measuring Resistance Between Connector Line 1 And 2
      G07309195Courtesy of HYUNDAI MOTOR CO.
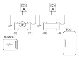
    2. Disconnect connector (B), and measure for resistance between connector (C) and (B1) and between (B2) and (A) as shown in [FIG. 3].

      In this case the measured resistance between connector (C) and (B1) is higher than 1MΩ and the open circuit is between terminal 1 of connector (C) and terminal 1 of connector (B1).

      Fig 3: Measuring Resistance Between Connector (C) And (B1) And Between (B2) And (A)
      G07309196Courtesy of HYUNDAI MOTOR CO.
  3. Voltage Check Method
  1. With each connector still connected, measure the voltage between the chassis ground and terminal 1 of each connectors (A), (B) and (C) as shown in [FIG. 4].

    The measured voltage of each connector is 5V, 5V and 0V respectively. So the open circuit is between connector (C) and (B).

    Fig 4: Measuring Voltage Between Chassis Ground And Terminal 1 Of Each Connectors (A), (B) And (C)
    G07309197Courtesy of HYUNDAI MOTOR CO.
  1. Check Short Circuit
  1. Test Method for Short to Ground Circuit
    1. Continuity Check with Chassis Ground

    If short to ground circuit occurs as shown in [FIG. 5], the broken point can be found by performing Step 2 (Continuity Check Method with Chassis Ground) as shown below.

    Fig 5: Checking Short Circuit
    G07309198Courtesy of HYUNDAI MOTOR CO.
  2. Continuity Check Method (with Chassis Ground)
    NOTE: Lightly shake the wire harness above and below, or from side to side when measuring the resistance.

Specification (Resistance) 

1Ω or less → Short to Ground Circuit

1MΩ or Higher → Normal Circuit

  1. Disconnect connectors (A), (C) and measure for resistance between connector (A) and Chassis Ground as shown in [FIG. 6].

    The measured resistance of line 1 and 2 in this example is below 1 Ω and higher than 1MΩ respectively. Specifically the short to ground circuit is line 1 (Line 2 is normal). To find exact broken point, check the sub line of line 1 as described in the following step.

    Fig 6: Measuring Resistance Between Connector (A) And Chassis Ground
    G07309199Courtesy of HYUNDAI MOTOR CO.
  2. Disconnect connector (B), and measure the resistance between connector (A) and chassis ground, and between (B1) and chassis ground as shown in [FIG. 7].

    The measured resistance between connector (B1) and chassis ground is 1Ω or less. The short to ground circuit is between terminal 1 of connector (C) and terminal 1 of connector (B1).

    Fig 7: Measuring Resistance Between Connector (A) And Chassis Ground And Between (B1) And Chassis Ground
    G07309200Courtesy of HYUNDAI MOTOR CO.

This test checks for voltage drop along a wire, or through a connection or switch.

  1. Connect the positive lead of a voltmeter to the end of the wire (or to the side of the connector or switch) closest to the battery.
  2. Connect the negative lead to the other end of the wire. (or the other side of the connector or switch)
  3. Operate the circuit.
  4. The voltmeter will show the difference in voltage between the two points. A difference, or drop of more than 0.1 volts (50mV in 5V circuits), may indicate a problem. Check the circuit for loose or dirty connections.
    Fig 8: Checking Voltage Drop Along Wire
    G07309201Courtesy of HYUNDAI MOTOR CO.