LEMON Manuals: Even more car manuals for everyone: 1960-2025
Home >> Hyundai >> 2011 >> Equus Ultimate >> Repair and Diagnosis >> Engine Performance >> System >> Engine Control System Diagnosis (2 Of 3) >> DTC P0222: Throttle Position Sensor 2 Signal Circuit Low Input >> Inspection/Repair >> W/Harness Inspection >> Signal Circuit Inspection
April 5, 2026: LEMON Manuals is launched! Read the announcement.

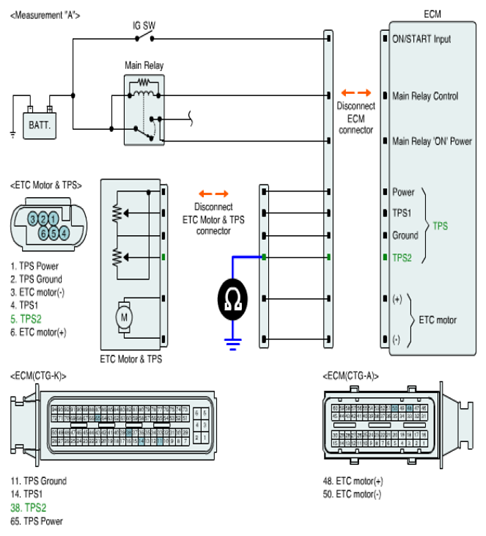
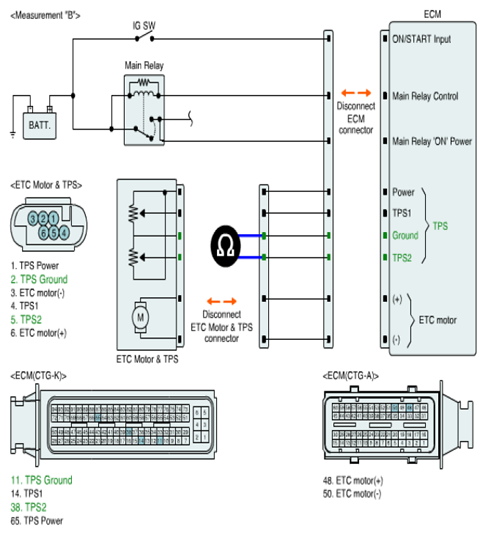
Signal Circuit Inspection