LEMON Manuals: Even more car manuals for everyone: 1960-2025
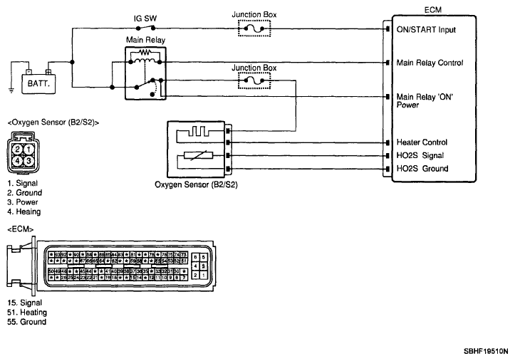
Home >> Hyundai >> 2011 >> Genesis 4.6 >> Repair and Diagnosis (Single Page) >> Engine Performance >> System >> Engine Control System Diagnosis (G8BA - GSL 4.6L) (1 Of 2) >> P0160 O2 Sensor Circuit No Activity Detected (Bank 2/Sensor 2) >> Diagnostic Circuit Diagram
April 5, 2026: LEMON Manuals is launched! Read the announcement.

Diagnostic Circuit Diagram

Refer to Figure