LEMON Manuals: Even more car manuals for everyone: 1960-2025
Home >> Hyundai >> 2011 >> Genesis Sedan V8-4.6L >> Repair and Diagnosis >> Windows and Glass >> Heated Glass Element >> Heated Glass Control Module >> Testing and Inspection
April 5, 2026: LEMON Manuals is launched! Read the announcement.

Heated Glass Control Module: Testing and Inspection





Inspection

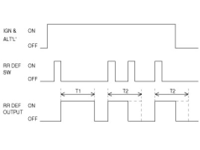
While operating the components, check whether the operations are normal as shown in the timing chart.
1. Once ALT "L" is ON, if the defogger is switched ON, the defogger will stay ON for 20 minutes duration.
2. If defogger switch is pressed again (see Step 1), or if ignition is switched OFF, the defogger will shut OFF.




T1 : 20 ± 1 min.
T2 : MAX 20 ± 1 min.