LEMON Manuals: Even more car manuals for everyone: 1960-2025
Home >> Hyundai >> 2011 >> Santa Fe SE, AWD >> Repair and Diagnosis >> Restraints >> Air Bag, SRS >> SRSCM (Supplement Restraint System Control Module) >> Schematic Diagrams >> Circuit Diagram (1) >> Notes
April 5, 2026: LEMON Manuals is launched! Read the announcement.

Circuit Diagram (1): Notes

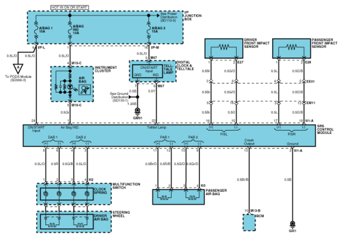
Fig 1: Identifying Supplemental Restraints System Control Module (SRSCM) Circuit Diagram (1 Of 3)
G06844363Courtesy of HYUNDAI MOTOR CO.