LEMON Manuals: Even more car manuals for everyone: 1960-2025
Home >> Hyundai >> 2011 >> Veracruz AWD V6-3.8L >> Repair and Diagnosis >> Diagrams >> Electrical Diagrams >> Powertrain Management >> Engine Control Module
April 5, 2026: LEMON Manuals is launched! Read the announcement.

Engine Control Module





ECM Terminal And Input/output Signal

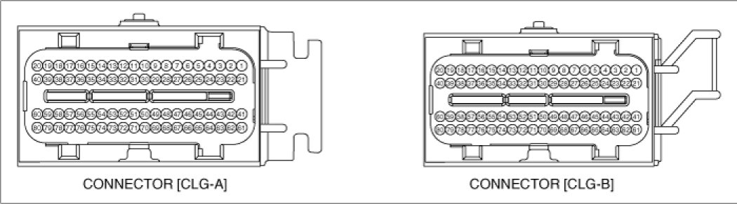
ECM Harness Connector




ECM Terminal Function
Connector [CLG-A]









Connector [CLG-B]









ECM Terminal Input/output Signal
Connector [CLG-A]













Connector [CLG-B]


















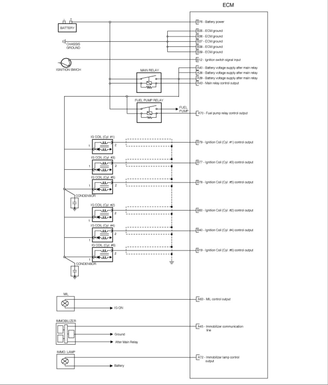
Circuit Diagram