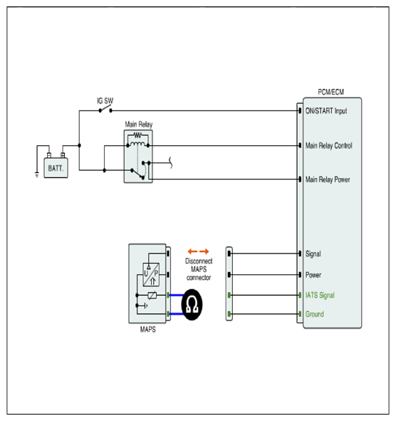
Component Inspection
- Check IATS resistance
- IG KEY "OFF".
- Disconnect IATS connector.
- Measure resistance between signal and ground terminal of IATS connector (Component Side).RESISTANCE SPECIFICATION
Temperature [°C (°F)] Resistance [kΩ] -40(-40) 40.93~48.35 -30(-22) 23.43~27.34 -20(-4) 13.89~16.03 -10(14) 8.50~9.71 0(32) 5.38~6.09 10(50) 3.48~3.90 20(68) 2.31~2.57 25(77) 1.90~2.10 30(86) 1.56~1.74 40(104) 1.08~1.21 60(140) 0.54~0.62 80(176) 0.29~0.34 Courtesy of HYUNDAI MOTOR AMERICA
- Is the measured resistance within specification?
YES
- Many malfunctions in the electrical system are caused by poor harness (es) and terminals. Faults can also be caused by interference from other electrical systems, and mechanical or chemical damage. So, check poor connections and the related circuit between ECM and component thoroughly. Repair as necessary and go to "VERIFICATION OF VEHICLE REPAIR " procedure.
NO
- Substitute with a known - good IATS and check for proper operation. If the problem is corrected, replace IATS and go to "VERIFICATION OF VEHICLE REPAIR " procedure.