LEMON Manuals: Even more car manuals for everyone: 1960-2025
Home >> Hyundai >> 2012 >> Accent GLS, Automatic Trans >> Repair and Diagnosis >> Engine Performance >> System >> Engine Control System Diagnosis (1 Of 2) >> DTC P0112: Intake Air Temperature Sensor 1 Circuit Low Input >> General Information >> Diagnostic Circuit Diagram
April 5, 2026: LEMON Manuals is launched! Read the announcement.

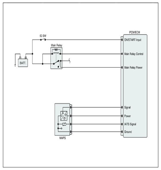
Diagnostic Circuit Diagram

Fig 1: MAPS Diagnostic Circuit Diagram
G08802080Courtesy of HYUNDAI MOTOR AMERICA
Fig 2: Identifying MAPS, PCM And ECM Connector Terminals
G08802081Courtesy of HYUNDAI MOTOR AMERICA