LEMON Manuals: Even more car manuals for everyone: 1960-2025
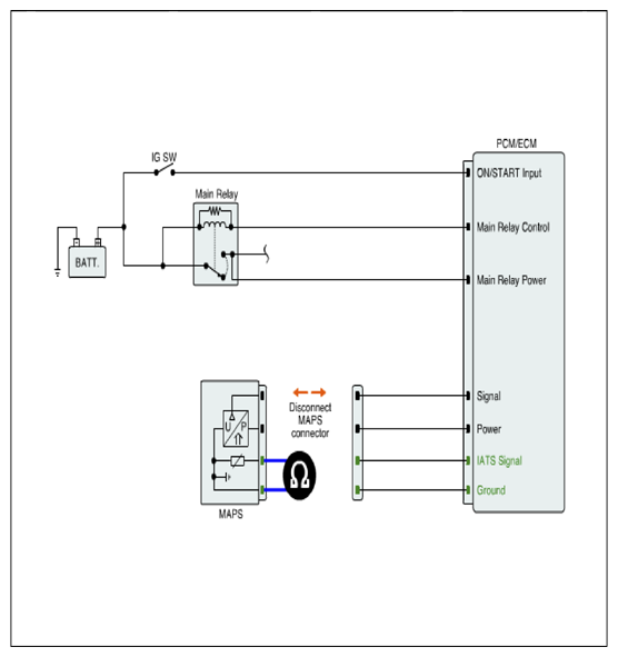
Home >> Hyundai >> 2012 >> Accent GLS, Automatic Trans >> Repair and Diagnosis >> Engine Performance >> System >> Engine Control System Diagnosis (1 Of 2) >> DTC P0113: Intake Air Temperature Sensor 1 Circuit High Input >> Component Inspection
April 5, 2026: LEMON Manuals is launched! Read the announcement.

Component Inspection