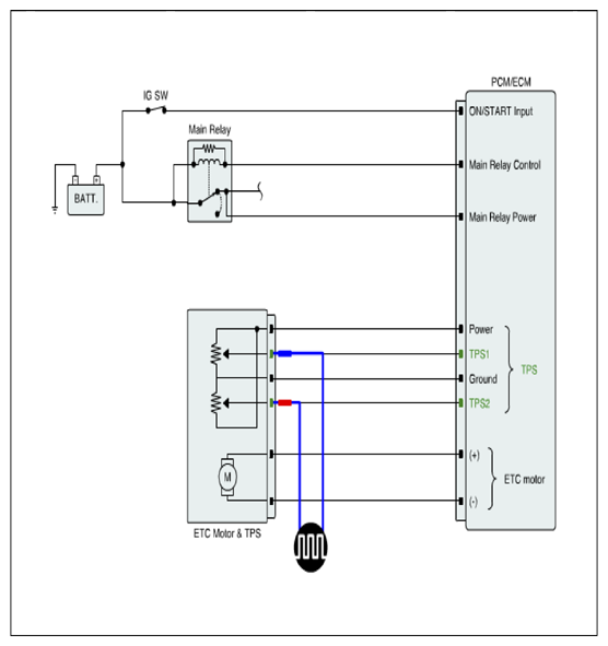
Component Inspection
- Check TPS
- IG KEY "OFF". (Don't disconnect sensors.)
- Select "Vehicle Scopemeter" in the menu, and connect channel A, B of GDS with signal terminal TPS1, 2 harness connector.
- IG KEY "ON". And check the signal waveforms with stepping on accelerator pedal.
Specification: Refer to SIGNAL WAVEFORM & DATA
Courtesy of HYUNDAI MOTOR AMERICA
- Is the measured signal waveform OK?
YES
- Many malfunctions in the electrical system are caused by poor harness (es) and terminals. Faults can also be caused by interference from other electrical systems, and mechanical or chemical damage. So, check poor connections and the related circuit between ECM and component thoroughly. Repair as necessary and go to "VERIFICATION OF VEHICLE REPAIR " procedure.
NO
- Substitute with a known-good TPS and check for proper operation. If the problem is corrected, replace TPS and then go to "VERIFICATION OF VEHICLE REPAIR " procedure.