LEMON Manuals: Even more car manuals for everyone: 1960-2025
Home >> Hyundai >> 2012 >> Accent GLS, Automatic Trans >> Repair and Diagnosis >> Engine Performance >> System >> Engine Control System Diagnosis (2 Of 2) >> DTC P0620: Alternator Control Circuit >> Component Inspection
April 5, 2026: LEMON Manuals is launched! Read the announcement.

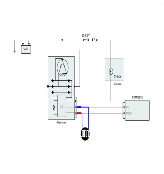
Component Inspection