Signal Circuit Inspection
- Check short to battery in harness
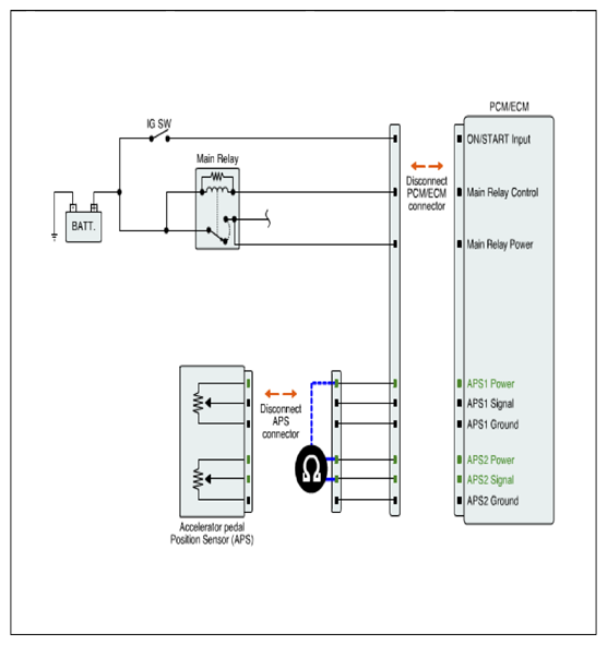
- IG "OFF" and disconnect APS connector and ECM connector.
- Measure resistance between APS2 signal and APS1 power terminals of APS harness connector.
- Measure resistance between APS2 signal and APS2 power terminals of APS harness connector.
Specification: Infinite
Courtesy of HYUNDAI MOTOR AMERICA
- Is the measured resistance within specification?
YES
- Go to "GROUND CIRCUIT INSPECTION " procedure.
NO
- Repair short to battery in harness and go to "VERIFICATION OF VEHICLE REPAIR " procedure.