LEMON Manuals: Even more car manuals for everyone: 1960-2025
Home >> Hyundai >> 2012 >> Accent L4-1.6L >> Repair and Diagnosis >> Starting and Charging >> Starting System >> Ignition Switch >> Service and Repair
April 5, 2026: LEMON Manuals is launched! Read the announcement.

Ignition Switch: Service and Repair





Inspection

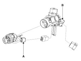
1. Disconnect the ignition switch connector (B) and key switch connector (A) from under the steering column.




2. Check for continuity between the terminals.
3. If continuity is not specified, replace the switch.










Removal

1. Disconnect the negative (-) battery terminal.
2. Remove the steering column upper and lower shrouds.

3. Disconnect the ignition switch connector (B) and the key switch connector (A) from under the steering column.




4. If it is necessary to remove the key lock cylinder (A), remove the key lock cylinder after pushing lock pin with key ACC.






Installation

1. Install the key lock cylinder.

NOTE:
When assembling, the key must be inserted at 'ACC' position.

2. Install the key warning and immobilizer connector.
3. Install the ignition switch.
4. Install the steering column shrouds and crash pad lower panel.