LEMON Manuals: Even more car manuals for everyone: 1960-2025
Home >> Hyundai >> 2012 >> Elantra GLS, Automatic Trans >> Repair and Diagnosis >> Engine Performance >> System >> Engine Control System Diagnosis (1 Of 2) >> DTC P0122: Throttle/Pedal Position Sensor/Switch A Circuit Low Input >> General Information >> Diagnostic Circuit Diagram
April 5, 2026: LEMON Manuals is launched! Read the announcement.

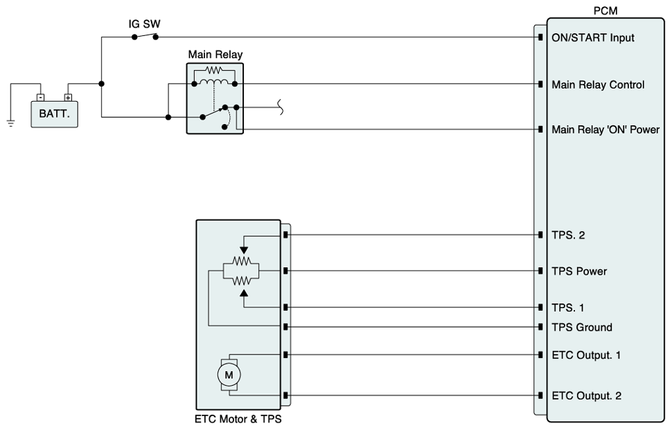
Diagnostic Circuit Diagram

Fig 1: ETC Motor And TPS - Diagnostic Circuit Diagram (1 Of 2)
G07272251Courtesy of HYUNDAI MOTOR CO.
Fig 2: ETC Motor And TPS - Diagnostic Circuit Diagram (2 Of 2)
G07272252Courtesy of HYUNDAI MOTOR CO.