LEMON Manuals: Even more car manuals for everyone: 1960-2025
Home >> Hyundai >> 2012 >> Elantra GLS, Automatic Trans >> Repair and Diagnosis >> Engine Performance >> System >> Engine Control System Diagnosis (1 Of 2) >> DTC P0222: Throttle/Pedal Position Sensor/Switch B Circuit Low Input >> Inspection/Repair >> W/Harness Inspection >> Power Circuit Inspection
April 5, 2026: LEMON Manuals is launched! Read the announcement.

Power Circuit Inspection

  1. IG KEY OFF.
  2. Disconnect ETC connector.
  3. IG KEY ON.
  4. Measure voltage between TPS power circuit of ETC harness connector and chassis ground.

    Specification:  Approx. 5V

    Fig 1: Measuring Voltage Between TPS Power Circuit Of ETC Connector And Chassis Ground (1 Of 2)
    G07272349Courtesy of HYUNDAI MOTOR CO.
    Fig 2: Measuring Voltage Between TPS Power Circuit Of ETC Connector And Chassis Ground (2 Of 2)
    G07272350Courtesy of HYUNDAI MOTOR CO.
  5. Is voltage within the specification?

    YES 

    NO 

    • Go to next procedure.
  1. IG KEY OFF.
  2. Disconnect PCM and ETC connector.
  3. IG KEY ON.
  4. Measure resistance between TPS power terminal of ETC harness connector and chassis ground.

    Specification:  Infinite

    Fig 3: Measuring Resistance Between TPS Power Terminal Of ETC Connector And Chassis Ground (1 Of 2)
    G07272351Courtesy of HYUNDAI MOTOR CO.
    Fig 4: Measuring Resistance Between TPS Power Terminal Of ETC Connector And Chassis Ground (2 Of 2)
    G07272352Courtesy of HYUNDAI MOTOR CO.
  5. Is resistance within specification?

    YES 

    • Go to next procedure.

    NO 

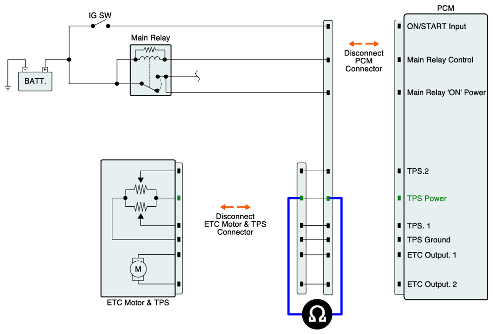
  1. IG KEY OFF.
  2. Disconnect ETC connector and PCM connector.
  3. Measure resistance between both ends of TPS Power line.

    Specification:  Below 1Ω

    Fig 5: Measuring Resistance Between Both Ends Of TPS Power Line (1 Of 2)
    G07272353Courtesy of HYUNDAI MOTOR CO.
    Fig 6: Measuring Resistance Between Both Ends Of TPS Power Line (2 Of 2)
    G07272354Courtesy of HYUNDAI MOTOR CO.
  4. Is resistance within specification?

    YES 

    • Go to next procedure.

    NO