LEMON Manuals: Even more car manuals for everyone: 1960-2025
Home >> Hyundai >> 2012 >> Elantra Limited >> Repair and Diagnosis >> Engine Performance >> Engine Control Systems >> Engine Control System >> Engine Control Module (ECM) >> Schematic Diagrams >> Circuit Diagram
April 5, 2026: LEMON Manuals is launched! Read the announcement.

Circuit Diagram

(M/T) 

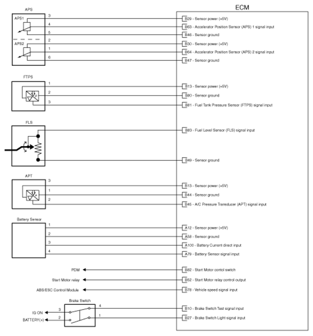
Fig 1: ECM (M/T) - Circuit Diagram (1 Of 4)
G07264031Courtesy of HYUNDAI MOTOR CO.
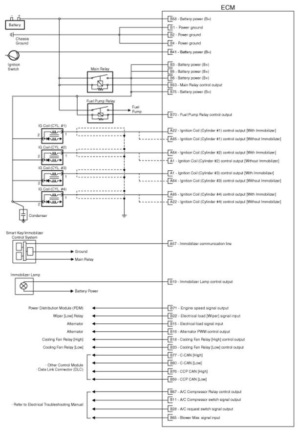
Fig 2: ECM (M/T) - Circuit Diagram (2 Of 4)
G07264032Courtesy of HYUNDAI MOTOR CO.
Fig 3: ECM (M/T) - Circuit Diagram (3 Of 4)
G07264033Courtesy of HYUNDAI MOTOR CO.
Fig 4: ECM (M/T) - Circuit Diagram (4 Of 4)
G07264034Courtesy of HYUNDAI MOTOR CO.

(A/T) 

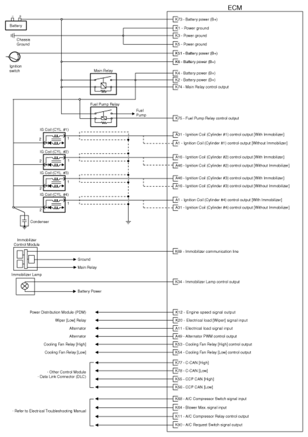
Fig 5: ECM (A/T) - Circuit Diagram (1 Of 4)
G07264035Courtesy of HYUNDAI MOTOR CO.
Fig 6: ECM (A/T) - Circuit Diagram (2 Of 4)
G07264036Courtesy of HYUNDAI MOTOR CO.
Fig 7: ECM (A/T) - Circuit Diagram (3 Of 4)
G07264037Courtesy of HYUNDAI MOTOR CO.
Fig 8: ECM (A/T) - Circuit Diagram (4 Of 4)
G07264038Courtesy of HYUNDAI MOTOR CO.